Hochschule Kempten      
Fakultät Elektrotechnik      
Elektronik 3       Fachgebiet Elektronik, Prof. Vollrath      

Elektronik 3

19 Operationsverstärker

Prof. Dr. Jörg Vollrath


18 Mehrstufiger Verstärker




Video 19 Operationsverstärker 7.12.2020


Länge: 1:27:20
0:0:7 Operationsverstärker

0:0:59 CMOS Operationsverstärker TLC272

0:3:4 Gebondeter Chip TLC272

0:6:13 Schaltsymbol

0:9:16 Kennlinie des Operationsverstärkers Differenzverstärkung

0:14:17 Offsetspannung

0:17:35 Gleichtaktverstärkung

0:21:2 Ersatzschaltbild

0:22:7 LTSPICE Modell

0:28:12 Realer Operationsverstärker 741 versus TLC272

0:32:13 Slew rate

0:36:3 Sinusfunktion und slew rate

0:41:53 Versuch 9

0:43:33 Frequenzgang

0:47:33 Übertragungsfunktion R C

0:49:37 Komplexe Stromgleichung

0:53:37 Bodediagramm Maß über der Frequenz

0:55:32 20 log|1/C1/R1|

0:57:31 ω gegen &infty; 20 log|1/(jw)|

1:0:17 f3dB Eckfrequenz, Grenzfrequenz

1:3:5 Erklärung 3dB Eckfrequenz

1:8:54 LTSPICE Simulation

1:11:34 Frequenzgang Operationsverstärker

Rückblick und Heute


Reinhold Kap. 8, S.132-140, Kap. 12 S.227-
Jaeger: Chap. 10 S.529-,

Operationsverstärker

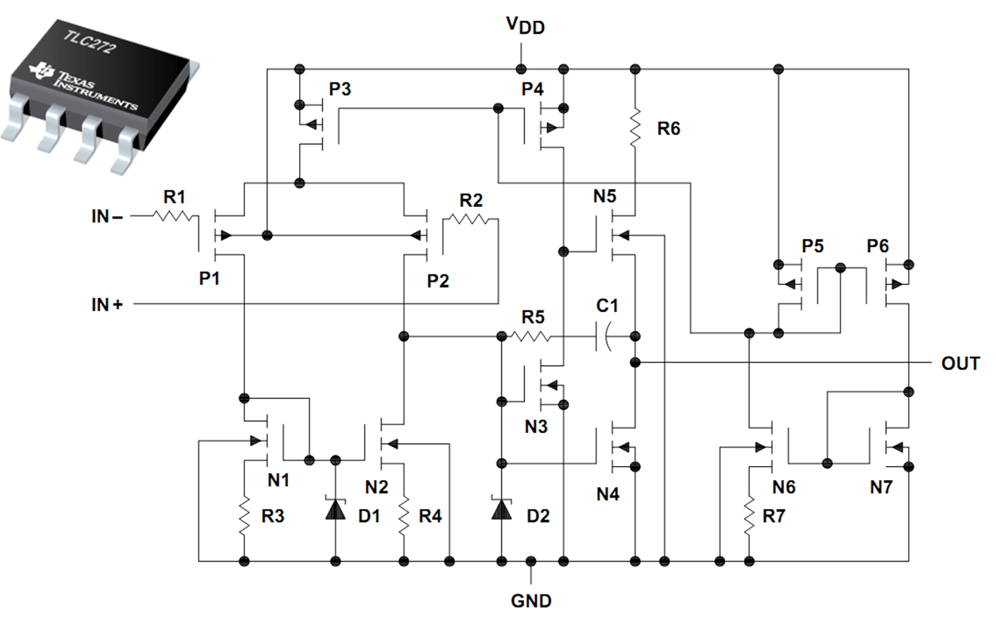
CMOS Operationsverstärker TLC272


Quelle: Texas Instruments Datenblatt tlc272a.pdf
Referenzstromquelle rechts: P5, P6, N6, N7, R7
Differenzverstärker: P1, P2, P3, N1, N2
Zenerdiode für den Startup
2.te Verstärkerstufe: Sourceschaltung: N3, P4
Ausgangsstufe: N4, N5
Frequenzgangkompensation: R5, C1

CMOS Operationsverstärker TLC272 gebondeter Chip



Man kann integrierte Bauelemente auch als Wafer oder Chips bekommen.
Das Bild zeigt den Chip TLC272 dessen Bondpads mit feinen Golddrähten (25 µm Dicke) mit dem Gehäuse verbunden sind.
Pin 1 ist bei dem Bild rechts oben, damit die Eingänge links und die Ausgänge rechts sind.
Die Chips wurden hier an der Hochschule Kempten im Labor Mikrosystemtechnik gebondet.
Es befinden sich 2 Operationsverstäker auf dem Chip. Einer oben und einer unten.
Die Spannungsversorgungspads befinden sich in der Mitte rechts (VDD) und links (GND).
Links oben und unten befinden sich jeweils die beiden Eingänge.
Links In+ rechts In-.
Rechts oben und unten befinden sich die Ausgänge.
Der Chip ist 1.524 mm x 1.8542 mm (60 mil x 73 mil) gross.
Weitere Informationen findet man auch im Datenblatt.

Operationsverstärker: Schaltsymbol

  • Spannungsgesteuerte Spannungsquelle
  • 2 Eingänge
    • Nichtinvertierend +
    • Invertierend –
    • \( U_{a} = v_{UD} \cdot \left( U_{P} - U_{N} \right) \)
    • \( v_{UD} \): Spannungsverstärkung
  • Versorgung: symmetrisch zum Massepotential
    • Positive und negative Betriebsspannung
  • Ideale Eigenschaften
  • Die Wirkung in einer Schaltung wird durch externe Bauelemente bestimmt: Gegenkopplung
DIN Symbol Wikipedia

Operationsverstärker: Eigenschaften und Übertragungskennlinie

  • Ausschließlich Differenzverstärkung
    • Ua = vUD · UD
  • Unendlich große Verstärkung
    • \( v_{UD} \rightarrow \infty \)
  • Kein Eingangsstrom: I+ = I- = 0
  • Unendlich hoher Eingangswiderstand
    • \( r_{e} \rightarrow \infty \)
  • Vernachlässigbarer Ausgangswiderstand \( r_{a} = 0 \)
  • Kein Offset Ua(UD = 0) = 0
    UOS = UD ( Ua = 0 )
  • Spiegelsymmetrische Übertragungskennlinie
  • Frequenzunabhängiges Übertragungsverhalten

Es gibt beim Operationsverstärker einen positiven und einen negativen Eingang.
Der Operationsverstärker benötigt eine Spannungsversorgung mit positiver (UB+) und negativer (UB-) Spannung.
Die dargestellte Übertragungskennlinie zeigt eine ideale Kurve und einen Operationsverstärker mit Offset. Diese Kennlinie ist in diesem Fall nach rechts verschoben.
Die maximal erreichbaren Spannungen am Ausgang werden durch die Betriebsspannung begrenzt.
Ein Operationsverstärker hat eine sehr grosse Verstärkung. Die x-Achse stellt deshalb die Eingangsdifferenzspannung im Millivoltbereich dar, während die y-Achse die Ausgangsspannung im Voltbereich zeigt.

Gleichtakteingangsspannung

  • Common mode rejection rate (CMRR)
  • Angabe in Dezibel
    \( CMRR = 20 log G = 20log\frac{v_{UD}}{v_{Gl}} \)
  • Der Gleichtaktaussteuerbereich ist kleiner als die Versorgungsspannung

DC Gleichtakt Übertragungskennlinie Ua = f(UGL)

Ersatzschaltbild

  • Idealer Operationsverstärker
  • \( U_D = U_{+} - U_{-} \)
  • Realer Operationsverstärker
  • Offset Spannung \( U_{OS} \)

  • Ersatzschaltbild OP mit \(U_{os} \)

    LTSPICE Modell

    • Eingänge: InP (positiv), InM (negativ, Minus)
    • Ausgang: Out
    • Spannungsgesteuerte Stromquelle: G1
      • Leerlaufverstärkung: VDol (open loop)
      • .PARAM VDol 100k
    • Ausgangswiderstand und Transitfrequenz: R1, C1
      • Gainbandwith: GBW
      • .PARAM GBW 1E6
      • Transitfrequez: 1 MHz
    • Begrenzung der Ausgangsspannung
      • Dioden: D1, D2
      • Diodenmodell: LIMITV mit einem sehr kleinen Rs
      • Spannungsquellen: V3, V4
    Es gibt die Differenzleerlaufverstärkung (open loop) VDol.

    Realer Operationsverstärker

    Kenngröße Bipolar
    741
    CMOS
    TLC272
    Typisch Ideal
    Differenzverstärkung \( A_{D} \) \( 10^{5} \) \(2.7 \cdot 10^{4} \) \( 10^{4}…10^{6} \) \( \infty \)
    Gleichtaktunterdrückung G \( 3 \cdot 10^{4} \) 1000 \( 10^{3}…10^{6} \) \( \infty \)
    Differenzeingangswiderstand \( r_{D} \) \( 1M\Omega \) \( > 1G\Omega \) \( 10^{5}…10^{7} \Omega \) \( \infty \)
    Gleichtaktwiderstand \( 1G \Omega \) \( > 1G\Omega \) \( > 100 R_D \) \( \infty \)
    Ausgangswiderstand \( 1k\Omega \) \( 500\Omega \) \( 70k \Omega ..1k \Omega \) 0
    Offsetspannung \( V_{OS} \) 1mV 1mV 0.5..5mV 0
    Offsetstrom \( I_{OS} \) \( < I_{E} \) 7pA \( < I_{E} \) 0
    Eingangsruhestrom \( I_{E} \) 80nA 40pA 20..200nA 0
    Gleichtaktaussteuerbereich \( 0.8\cdot U_B \)\( 0.8\cdot U_B \)\( 0.8\cdot U_B \) \( U_{B} \)
    Ausgangssteuerbereich \( 0.8\cdot U_B \)\( 0.8\cdot U_B \) \( 0.8\cdot U_B \) \( U_{B} \)
    Slew rate SR \( 4V / \mu s \) \( 0.5..50V/ \mu s \) \( \infty \)
    Transitfrequenz
    Verstärkungsbandbreiteprodukt
    1 MHz 2MHz 1..10 MHz \( \infty \)
    Betriebsstromaufnahme 1.7 mA 0.8mA 1 mA 0

    Slew Rate

    • Die maximale Änderungsgeschwindigkeit der Ausgangsspannung
    • Einheit: \( V/ \mu s \)
    • \( U_{0} \):Amplitude einer Sinusschwingung
    • Die Slew Rate kann die maximale Frequenz, bei der der Operationsverstärker das Eingangssignal noch verstärkt, begrenzen.
    \( S_{R} = \frac{d U_{a}}{dt} \)
    \( S_{R} = \frac{d U_{0} sin \left( \omega t \right)}{dt} = \omega \cdot U_{0} cos \left( \omega t \right) \)
    \( \omega_{max} < \frac{S_{R}}{U_{0}} \)
    \( f_{max} = \frac{\omega}{2 \cdot \pi} < \frac{S_{R}}{2 \cdot \pi \cdot U_{0}} \) \( f_{max}(TLC272, 5V) = \frac{4 V\mu s^{-1}}{2 \cdot \pi \cdot 5 V} \)
    \( f_{max}(TLC272, 5V) = 127 kHz \)

    Fragen

    Übung Frequenzgang

    • Berechnen Sie die komplexe Übertragungsfunktion \( \underline{U}_{A} / \underline{U}_{E} \) für folgenden Schaltkreis.
    • Stellen Sie Betrag in dB und Phase in Excel dar.
    • Wie groß ist Betrag in dB und Phase für f = 0 und \( f \rightarrow \infty \)?
    • Bei welcher Frequenz ist der Phasenwinkel 45°?
    • Bei welcher Frequenz ist der Betrag der Übertragungsfunktion -3dB?
    • Welche Steigung hat der Betrag in dB der Übertragungsfunktion für große Frequenzen?
    • Verifizieren Sie Ihre Ergebnisse mit LTSPICE.
    \( A_{f} = 20 log| \frac{\underline{U}_A}{\underline{U}_E} | dB \)

    Übung Frequenzgang

    \( A_{f} = 20 log| \frac{\underline{U}_A}{\underline{U}_E} | dB \)
    \( \frac{\underline{U}_A}{\underline{U}_E} = \frac{\frac{1}{j \omega C_1}}{R_1 + \frac{1}{j \omega C_1}} = \frac{1}{1 + j \omega C_1 \cdot R_1} \) \( A_{f} = 20 log| \frac{\underline{U}_A}{\underline{U}_E} | dB = 20 log \frac{1}{\sqrt{1 + \left( \omega C_1 \cdot R_1 \right)^2}} dB \) \( \omega = 0; A_{f} = 20 log \frac{1}{\sqrt{1 + \left( 0 \cdot C_1 \cdot R_1 \right)^2}} dB = 0 dB\) \( \omega = \frac{1}{C_1 \cdot R_1} ; A_{f} = 20 log \frac{1}{\sqrt{1 + \left( \frac{1}{C_1 \cdot R_1} \cdot C_1 \cdot R_1 \right)^2}} dB = 20 log \frac{1}{\sqrt{2}} = -3 dB\)
    \( \omega >> \frac{1}{C_1 \cdot R_1} ; A_{f} = 20 log \frac{1}{\omega} dB \)
    Ein Faktor 10 in der Frequenz bedeutet eine Differenz des Maßes von 20 dB.

    Nächstes Mal:


    20 Operationsverstärker