Versuch 07: Der MOSFET als Verstärker
Der MOSFET wird als Verstärker gemessen.
7.1. Arbeitspunkt
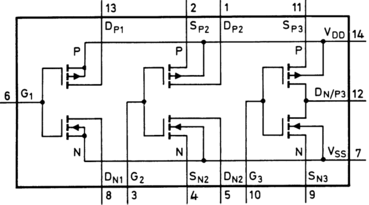
Bauen Sie die obige Schaltung auf. Im Schaltbild sind die Pins des Bausteins CD4007 angegeben.
Legen Sie 9 V Betriebsspannung an VP+ (Electronic Explorer) = VDD (Schaltplan).
Stellen Sie eine Strombegrenzung von 100 mA für VP+ ein.
Schließen Sie den Eingang A an den Signalgenerator AWG1.
Stellen Sie ein Sinussignal mit 50 mV Amplitude und 10 kHz ein.
Oszilloskopieren Sie die Punkte A,B,C,D und E (Gleichspannungsanteil DC und Wechselspannungsamplitude).
Das Oszilloskop hat einen Bedienbereich für die vertikalen Einstellungen (Amplitude, Gleichspannung),
für die horizontale Einstellung (dargestellte Zeit) und den Triggerbereich.
Tragen Sie die Messdaten mit Dezimalpunkt in folgende Tabelle ein: