Laboratory 4: Build a DAC and measure performance

Goal:


Measure static and dynamic performance of a DAC converter. Experience measurement problems and learn how to improve INL and DNL by circuit adjustments. This is an open laboratory for 3 weeks.
Build one of the following circuits with the Electronic Explorer. The Electronic Explorer is controlled via WaveForms application.
Link: Electronic Explorer Operation
Youtube: Digital pattern generator
Option 1:Binary weighted R

Option 2: R2R DAC: 2kΩ, use only 5Bits!


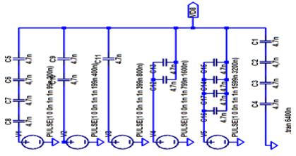
Option 3: Charge Coupling DAC: 4.7nF
Option 4: C2C DAC: 68nF, 80pF
Measure the transfer characteristic. Generate a binary counter pattern with the pattern generator and look with the oscilloscope at the output using different frequencies.
  1. Measure the resistance value of each resistor/capacitor with a multi meter.
  2. What is the Offset, maximum voltage and LSB of the DAC?
  3. Measure and calculate INL and DNL?
  4. Can you improve the INL and DNL of the transfer characteristics by adding resistors/capacitors?
  5. Measure the improved circuit.
  6. Change the frequency of the counter and the sequence of the counting and observe the result. Meas-ure settling time. What is the maximum operating frequency?
  7. Use a digital sine input and measure signal to noise ratio using a fft. Measure with different frequen-cies and input voltage ranges. (L drive: 8Bit_Sine43Periods.csv, loaded into pattern generator)
  8. Document your results.
Make a report and sent a pdf file until 30.11.2015 to joerg.vollrath@fh-kempten.de. The file name should contain the date, the laboratory, your last name and first name. <year>_<month>_<Date>_Lab04_<Last_name>_<First_Name>.pdf Example: 2015_11_30_Lab04_Vollrath_Joerg.pdf

Grading:


Each question should be answered. The answer should be correct/make sense. The submission date will be graded. Submission should happen until next week's Laboratory. Late submission will be downgraded. A nice document format and correct use of English language and spelling is graded.