Hochschule Kempten      
Fakultät Elektrotechnik      
Interface Electronics       Fachgebiet Elektronik, Prof. Vollrath      

Interface Electronics

Lab 01,02,03 LTSPICE and Web report

***851C



Overview

Motivation

Options:
Benfits:

Preparing web report and starting LTSPICE


LTSPICE


The first introduction to use this software and it is quite simple to program.
It can build circuits and simulate it in time and frequency domains but it requires
to learn more details about simulation commands.
The Spice directive function did not not work so it was a troublesome task.

Web report


This is the first time to make my own web page by using notepad++.
It is useful and everything is prepared for the beginners and any users.
but it requires more tags to edit the web page
It was the most difficult task to arrange texts with several images in one slide.

Simulation #1

Sine&pulse simulation

Download ADC DAC simulation setup and test it.

This step is very easy and no any troubles.
Simulating the sine and pulse inputs though the prepared schematic.
The simulation shows input(green) & output(blue) graphs.

Simulation #2

Fast furier transform


LTSPICE can also simulate DFT.
The number of data point samples should be set no more than true number of samples.
True number of samples = simulation time / maximum time step.

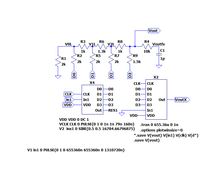
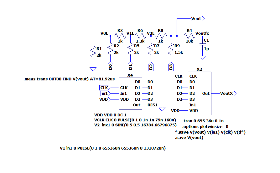
Simulation #3

LTSPICE INL, DNL FFT Analysis


Test #1
Vin Pulse,setting Step:40.96E-6(655/16)
Test #2
Vin Pulse,setting Step:5.12E-6

Javascript can be used to analysis DAC INL,DNL by extracting the raw data instead of LTSPICE
The top graph shows the 16 points from the LTSPICE and can compared with ideal one, Here.
There is no difference in this first simulation, so values of DNL, INL are zero.
If some errors occur like test #2, ADC histogram can analysis INL,DNL.
This test is very useful to monitor values of INL,DNL.

Simulation #4

Test #1
Vin sine,setting5.12E-6)
Test #2
FFT data processing

FFT can be simulated on ADC FFT javascript just by inputing time data integer.
It's hard to understand from where the numbers are in the last photo

Simulation #5

R2R DAC simulation

Test # 1
sine V(in) simulation by LTSPICE
Test # 2
Vin sine,setting5.12E-6 Test # 3
FFT
Test # 4
Pulse V(in) simulation by LTSPICE
Test # 5
Vin pulse,setting 40.96E-6

In order to analysis some errors R2R DAC is used instead of 4bit DAC here.
Real DAC have some errors and the same process like simulation #3,4.
Taken long time in this part due to some errors several times.
The volume of the raw data was too big and removed .save input of the function in LTSPICE.

Simulation #6

.measure statement

Practice about how to extract data by itself LTSPICE
It's simple to fomulate the function and can measure any values at a specific point.