Anleitung zu Versuch 01: CMOS-Transistoren als Logikgatter


Länge: 33:54
0:1:50 Electronic Explorer

0:2:34 Start Aufgabe HEF4007

0:3:20 Anschlüsse

0:4:15 Verdrahtung grafisch durchführen

0:7:30 Verdrahtung physikalisch

0:8:50 Start Waveforms

0:9:30 Spannungsgenerator

0:10:16 Signalgenerator

0:11:20 Dreieckspannung

0:12:40 Start Oszilloskop

0:15:0 Zeitachse

0:16:57 Aufnahme der Kennlinie

0:24:27 Screenshot

0:24:55 Wahrheitstabelle

0:25:10 Anstiegszeit

0:25:46 Funktionsgenerator Rechteck

0:27:30 Oszilloskop Anstiegszeit, Zeitachse (Time)

0:28:20 Cursor

0:29:10 Ergebnis Anstiegszeit

0:29:40 Abfallszeit

0:30:40 Definition Verzögerungszeit

0:32:15 Verzögerungszeit ablesen

0:32:45 Verzögerungszeit HL ablesen

0:33:20 Screenshot


Länge: 33:54
0:0:50 Bausteinbelegung

0:1:10 Verbindungstabelle

0:3:30 Verbindungen grafisch

0:4:9 Boardaufbau start

0:6:38 Funktionsgenerator

0:7:28 Spannungsversorgung

0:7:40 Oszilloskop

0:8:48 Wahrheitstabelle

0:9:34 Screenshot Oszilloskopbild

0:10:0 Glitch

0:12:59 Submit

Einleitung

Versuchsziele und Hinweise zur Durchführung


Sie lernen anhand des Versuchs, wie man CMOS Transistoren für die Realisierung von Logikgattern verwenden kann. Es sollen Logikschaltungen mit dem CMOS Transistorarray HEF4007UB (oder kompatibel) aufgebaut und untersucht werden. Es steht Ihnen ein Electronic Explorer Board zum Aufbau und der Messung zur Verfügung. Das Board hat ein 4 Kanal Oszilloskop, 2 Spannungsversorgungen, 2 Signalgeneratoren und 31 Digitale IOs zur Verfügung.

Lesen Sie vor dem Versuch die Anleitung. Die Gruppeneinteilung ist auf dem L-Laufwerk unter Digitaltechnik abgespeichert. Die Webseite wurde mit dem Firefox Browser verifiziert. Dokumentieren Sie jeden Versuch indem Sie Ihre Ergebnisse in die vorbereiteten Felder eingeben. Bildschirmkopien können Sie mit einem Linksklick auf „Snipping Tool“ unten rechts im Infobereich in die Zwischenablage kopieren. Mit <Strg> + V können diese dann in Word oder in die vorbereiteten Felder eingefügt werden oder das ganze Fenster mit < alt > < Druck >, < cmd > < F14 > kopieren.
Mit "Save" werden die Daten nur auf dem lokalen Rechner gespeichert.
Wenn all Felder ausgefüllt sind kann man die Ergebnisse mit Submit zum Server schicken.
Sie sollten für sich dann für Ihre Unterlagen ein pdf Dokument mit einem pdf Drucker erstellen.

Bitte beachten Sie folgende Hinweise:
  • Elektronikbauteile sind gefährdet durch elektrische Entladungen (ESD). Bevor Sie die Bauteile oder Komponenten des Boards berühren, berühren Sie bitte einen Massepunkt zwecks Entladung. Verwenden Sie ESD Schutzmaßnahmen. Berühren Sie bitte auch nicht eine andere Person, welche gerade mit Elektronikkomponenten / Bauteilen hantiert.
  • Bauen und Verändern Sie die Schaltungen nur im spannungslosen Zustand (Schalter auf OFF).

Schaltplanerstellung für das Electronic Explorer Board


Sie können auch außerhalb der Praktikumszeit in das Digitaltechniklabor kommen und selbständig das Experimentierboard benutzen. Eine Einführung in die Funktionen des Board finden Sie hier.
Die Software ist frei verfügbar unter:
Aktuelle Version: http://www.digilentinc.com/Products/Detail.cfm?NavPath=2,66,849&Prod=WAVEFORMS
Laborversion: http://store.digilentinc.com/waveforms-download-only/


Skizzieren Sie Ihre Schaltung zur Vorbereitung der Versuche. Kopieren Sie den Text für die Verbindungslinen uns speichern Sie ihn als Textdatei. Die Buchsen entlang der blauen und roten Linien sind horizontal verbunden und sollen für den Masseanschluss und die Spannungsversorgung verwendet werden.
Die integrierte Schaltung HEF4007UB (oder kompatibel) wird zwischen die Reihen E und F gesetzt. Die Buchsen A,B,C,D,E und F,G,H,I,J sind jeweils spaltenweise vertikal verbunden. Die restlichen Verbindungen stellen Sie mit Drähten her. Unten sieht man die Anschlüsse des 4 Kanal Oszilloskops (SCOPE, 1,2,3,4 DC) der Funktionsgeneratoren (AWG1 und AWG2) und der Spannungsversorgung (VP+, VP-, VCC). Neben den Anschlüssen ist immer eine Massebuchse (0 V, GND) vorhanden. Alle Massebuchsen auf dem Board sind verbunden.
Um in der Skizze eine übersichtliche Schaltung zu erhalten verwenden Sie nur horizontale und vertikale Verbindungen.

CMOS-Inverter aus MOSFETs

Aufbau

Skizzieren Sie zunächst die Verdrahtung der Schaltung im Diagramm unten und bauen diese dem CMOS IC HEF4007UB (oder kompatiblen Baustein) auf dem Electronic Explorer Board auf.
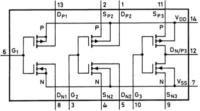
Rechts auf dem Schaltplan oder unten in der Tabelle sehen Sie zu jedem Knoten die zugehörige Pinnummer des Bausteins und den Anschlussnamen des Electronic Explorer Boards.
Links sind die Transistoren in das Bausteindiagramm eingezeichnet, Anschlussnamen und Pinnummern.
Rechts sieht man den Baustein mit Einkerbung links und der physikalischen Pinnummerierung.
Verbinden Sie den Eingang mit dem Signalgenerator 1 AWG1 und dem Kanal 1 des Oszilloskops (SCOPE 1 DC). Die Schaltung wird mit 5 V über die Spannungsversorgung VP+ verbunden. Der Ausgang Pin 12 wird mit dem Kanal 2 des Oszilloskops verbunden. (SCOPE 2 DC).

Pin 7 9 10 11 12 14
Verbindung GND GND -AWG1
-SCOPE 1 DC
VP+ SCOPE 2 DC VP+
Breadboard background
CD4007
Wires


Delete!     Read Wire list!


Transferkennlinie Uout(Uin) eines Inverters

Nehmen Sie folgende Einstellungen vor:
Tragen Sie die Ausgangsspannung in Abhängigkeit von der Eingangsspannung in die Tabelle und das Diagramm ein. Tipp: Verwenden Sie die Cursor-Funktion HotTrack (siehe Hilfefunktion von WaveForms). Verwenden Sie die X Cursor zu aktivieren in der linken unteren Ecke.

Messen Sie mindestens 12 Wertepaare.
Bitte geben Sie die Werte mit Dezimalpunkt Zeilenweise, mit Komma getrennt ein.

Uin / V , Uout / V

Fügen Sie hier einen Screenshot des Oszilloskops ein.



Remove

Bestimmen Sie die Wahrheitstabelle des Inverters:
in out

Zeitliches Verhalten des Inverters


Messung der Anstiegs- und Abfallzeit


Legen Sie eine Rechteckspannung an den Eingang und messen Sie das Ausgangssignal.
AWG1: Rechteck 0..5V: Offset 2.5V Amplitude=2.5V Frequency: 1kHz

Frage: Wie ist die Anstiegs- und Abfallzeit definiert?

Antwort:


Messen Sie die Zeiten und tragen die Messwerte in die Tabelle ein:
Ausgang Messwerte
trLH Anstiegszeit L- > H
trHL Abfallzeit H- > L

Messung der Verzögerungszeit


Sie verwenden als Testspannung die gleiche Rechteckspannung wie zuvor.

Frage: Wie ist die Verzögerungszeit definiert?

Antwort:


Messen Sie die Zeiten und tragen die Messwerte in die Tabelle ein:
Ausgang Messwerte
tpdLH Verzögerungszeit L- > H
tpdHL Verzögerungszeit H- > L

Fügen Sie hier einen Screenshot des Oszilloskops ein.


Remove


Aufbau einer logischen Funktion mit MOSFETs

Erstellen Sie zunächst die Verbindungstabelle, skizzieren Sie die Schaltung im Diagramm und bauen diese mit dem CMOS IC HEF4007UB (oder kompatiblen Baustein) auf dem Electronic Explorer Board auf.

Tipp: verwenden Sie die Schaltung von P2, P3 und N2, N3 des Inverters und modifizieren/ergänzen Sie.

Verbindungstabelle:
Pin
Verbindung

Wires


Delete!     Read Wire list!

Legen Sie Rechteckspannungen 0..5V über AWG1 und AWG2 an die Eingänge.
Im Fenster vom Arbitrary Waveformgenerator wählen Sie bei Select Channels auch AWG2 aus.
Stellen Sie für AWG1 eine Rechteckspannung mit geeigneter Amplitude, Offset und Frequenz ein.
Überlegen Sie sich geeignete Frequenzen, damit alle 4 möglichen Eingangszustände erzeugt werden.
Synchronisieren Sie AWG1 und AWG2 mit Mode: "Auto sync."
Oszilloskopieren Sie die Eingänge und Ausgänge. Aktivieren Sie Kanal 3.

a) Bestimmen Sie die Wahrheitstabelle:
In1 (AWG1) In2(AWG2) Out (OSC2)
Welche logische Funktion realisiert die Schaltung?

Fügen Sie hier einen Screenshot des Oszilloskops ein.



Remove


b) Stellen Sie AWG1 und AWG2 in den Mode "Synchronized".
Welchen Effekt beobachten Sie am Ausgang Out wenn AWG1 fällt und AWG2 steigt?
Untersuchen und erklären Sie bitte die Ursachen.
Hinweis: Je nach individuellen Schaltungsaufbau und Parameterstreuung kann der Effekt auftreten oder nicht auftreten.




Bitte geben Sie Gruppennummer und Namen ein:
in der Form: A00_Nachname1_Nachname2


Drucken Sie diese Seite für Ihre Unterlagen als pdf Datei aus. Verwenden Sie den Drucker pdf Creator.

Last Saved:




Submit     Recall     Save     Print




    Next Data     Prev Data