Anleitung zu Versuch 02: Logikfunktionen mit 3 Eingängen mit NAND Gattern oder Multiplexern


Länge: 45:42
0:0:29 Wahrheitstabelle

0:1:10 Minterme

0:2:40 Bausteine NAND, Inverter

0:3:0 Schaltplan ergänzen

0:5:0 Tabelle der Verdrahtung

0:7:56 Graphischer Aufbau der Schaltung

0:8:30 In0,In1,In2

0:9:20 SCOPE OSC1,2,3,4

0:10:30 Masse, gnd und VP+ Verdrahtung

0:12:0 U1 und U2 verbinden

0:14:30 U2 lokale Verbindungen

0:15:50 Boardverdrahtung physikalisch

0:17:5 U2 U1 Verbindungen

0:17:15 Waveforms start

0:19:8 Digitaler Patterngenrator

0:21:10 Screencopy

0:21:35 Logic Analyzer

0:24:15 Screenshot/Foto

0:24:30 Stromverbrauch und Frequenz

0:27:20 10MHz Betrieb

0:29:40 33MHz Betrieb

0:31:0 50MHz Betrieb

0:32:20 100MHz Betrieb

0:37:0 Oszilloskop

0:39:20 Zeitachse anpassen

0:42:10 Defintion Verzögerungszeit

0:44:50 Save, Submit, Drucken

Einleitung

Hinweise zur Durchführung


Lesen Sie vor dem Versuch die Anleitung. Dokumentieren Sie jeden Versuch in einer Ausarbeitung, Bildschirmkopien der Ergebnisse (Linksklick auf „Snipping Tool“ unten rechts im Infobereich und mit Strg+V in Word einfügen oder das ganze Fenster mit < alt > < Druck >, < cmd > < F14 > kopieren) und Ihren persönlichen Erfahrungen. Bitte beachten Sie folgende Hinweise:
  • Elektronikbauteile sind gefährdet durch elektrische Entladungen (ESD). Bevor Sie die Bauteile oder Komponenten des Boards berühren, berühren Sie bitte einen Massepunkt zwecks Entladung. Verwenden Sie ESD Schutzmaßnahmen. Berühren Sie bitte auch nicht eine andere Person, welche gerade mit Elektronikkomponenten / Bauteilen hantiert.
  • Bauen und Verändern Sie die Schaltungen nur im spannungslosen Zustand (Schalter auf OFF).

Das Electronic Explorer Board und der Schaltungsaufbau


Sie können auch außerhalb der Praktikumszeit in das Digitaltechniklabor kommen und selbständig das Experimentierboard benutzen. Eine Einführung in die Funktionen des Board finden Sie hier.
Die Software ist frei verfügbar unter:
http://www.digilentinc.com/Products/Detail.cfm?NavPath=2,66,849&Prod=WAVEFORMS


Die Buchsen entlang der blauen und roten Linien sind horizontal verbunden und sollen für den Masseanschluss und die Spannungsversorgung verwendet werden.
Skizzieren Sie Ihre Schaltung zur Vorbereitung der Versuche entweder auf Papier oder unten auf dieser Seite. Die integrierte Schaltung HEF4007UB (oder kompatibel) wird zwischen die Reihen E und F gesetzt. Die Buchsen A,B,C,D,E und FGHIJ sind jeweils spaltenweise verbunden. Die restlichen Verbindungen stellen Sie mit Drähten her. Unten sieht man die Anschlüsse des 4 Kanal Oszilloskops (SCOPE, 1,2,3,4) der Funktionsgeneratoren (AWG1 und AWG2) und der Spannungsversorgung (VP+, VP-, VP+). Am oberen Rand findet man die 32 digitalen I/O Anschüsse (DIO), die wahlweise als Logic Analyzer, Pattern Generator oder Static Input/Output (SIO) betrieben werden können.

Dokumentieren Sie Ihre Ergebnisse durch Fotos Ihres Aufbaus, Bilder der Messungen und schriftliche Interpretation der Ergebnisse.

Versuch 02: Logikfunktionen mit 3 Eingängen mit NAND Gattern oder Multiplexern

Sie lernen, wie man eine Logikfunktion mit Invertern und NAND Gattern oder mit Multiplexern aufbauen kann.
Realisieren Sie einen der Ausgänge Out0..8 aus folgender Wahrheitstabelle:
In2 In1 In0 Out0 Out1 Out2 Out3 Out4 Out5 Out6 Out7 Out8
0 0 0 0 0 0 0 0 1 0 1 0
0 0 1 1 0 0 0 0 0 1 0 0
0 1 0 0 1 1 0 0 0 0 0 1
0 1 1 0 0 0 1 1 0 0 1 0
1 0 0 1 0 0 0 1 0 0 0 0
1 0 1 0 1 0 0 0 0 1 0 1
1 1 0 0 0 0 1 0 0 0 0 0
1 1 1 0 0 1 0 0 1 0 0 0
Tabelle 1 Wahrheitstabelle einer kombinatorischen Schaltung mit 3 Eingängen und 9 möglichen Ausgängen

Es steht Ihnen zum Aufbau und zur Messung das Digilent Electronics Explorer Board zur Verfügung. Im Programm Waveforms benutzen Sie als Stimulus den „Digitalen Pattern Generator“ und zur Überprüfung den „Logic Analyzer“ und das „Scope“.

Aufbau der logischen Funktion mit NAND Gattern


Realisieren Sie eine Spalte der Wahrheitstabelle Tabelle 1 als Schaltung. Geben Sie die Normalform mit Mintermen an.

Out =

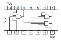
Für die Schaltung stehen Ihnen ein Triple(3)-Input NAND Gatter 74HC10) und ein Hex Inverter 74HC04 zur Verfügung.
U2: Triple 3-Input NAND Gate 74HC10 U1: Hex Inverter 74HC04

Tabelle 2 Logik-ICs für den ersten Versuchsteil

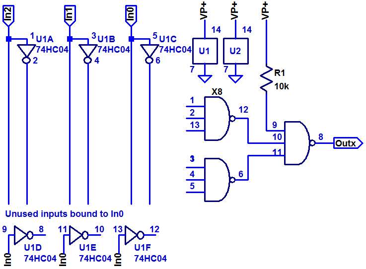
Abbildung 1 zeigt den Schaltplan für diesen Versuch, in dem Sie die Minterme zu verdrahten haben. Die einzelnen Logikgatter sind einem Baustein zugeordnet: z. B. U1A ist Teil des Bausteins U1 (74HC04) und der Invertereingang steht an Pin 1 zur Verfügung und der Ausgang an Pin 2. Beachten Sie die Orientierung des Bausteins gekennzeichnet durch eine Einkerbung, eine Abschrägung oder einen Punkt. Die Verbindungen tragen Sie bitte nicht nur graphisch ein, sondern auch in Tabelle 3 und 4. Für den Aufbau der Schaltung müssen Sie alle Verbindungen des Schaltplans oder der Tabellen 3-5 herstellen.
Wires


Delete!     Read Wire list!
Abbildung 1 Schaltplan für die kombinatorische Logik für einen Ausgang Outx aus Tabelle 1 (Minterme sind zu verdrahten)

Ergänzen Sie im o.g. Schaltplan die gefundenen Minterme für den von Ihnen gewählten Ausgang Out(0…8). Füllen Sie dementsprechend die Eingabefelder in Tabelle 4 aus (Achtung: individuelle Lösungen je nach Wahl des Ausgangs!). Zeichnen Sie die Verbindungen ein und bauen Sie dann die Schaltung auf. Der Widerstand wird durch eine direkte Verbindung ersetzt.

Explorer Board DIO0
(DIGITAL 1 Pos 0)
SCOPE 1(DC)
DIO1
(DIGITAL 1 Pos 1)
SCOPE 2(DC)
DIO2
(DIGITAL 1 Pos 2)
SCOPE 3(DC)
DIO5 (DIGITAL 1 Pos 5) + SCOPE 4(DC)
U1, Pin 5 (In0) 3 (In1) 1 (In2)
U2, Pin -- -- -- 8 (Outx)
Tabelle 3 Verdrahtung des Explorer Boards: Digitale Signalgeneratoren, digitaler Messkanal (DIO5) und Oszilloskop

U1,
Pin
1
(In2)
2
(/In2)
3
(In1)
4
(/In1)
5
(In0)
6
(/In0)
7 8 9 10 11 12 13 14
GND - U1, 5 - U1, 5 -- U1, 5 VP+
U2,
Pin
Tabelle 4: Verschaltung U1 (Hex Inverter 74HC04U2) mit U2 (Triple 3-Input NAND Gate 74HC10)

U2, Pin 6 7 8 9 10 11 12 14
Verbindung U2, Pin 11 GND DIO05 Pullup:
R1 gegen VP+
U2, Pin 12 U2, Pin 6 U2, Pin 10 VP+
Tabelle 5: Verschaltung U2 (Triple 3-Input NAND Gate 74HC10)
Wires


Delete!     Read Wire list!
Abbildung 2 Aufbau der Schaltung auf dem Electronic Explorer Boards



Versuchsdurchführung Teil 1:

Folgen Sie nun den Schritten und dokumentieren Sie Ihre Ergebnisse:
Aktion Hinweis
1 Spannungsversorgung einstellen:
Analog -> Voltage VP+=3,3 V; Imax=20 mA und einschalten:

Starten, Einstellen: Voltage VP+=3,3 V; Imax=20 mA Einschalten: Click auf Power on.
2 Im Programm Waveforms starten Sie Sie den Digitalen Pattern Generator mit Click auf
3 Per „+Add“ stellen Sie einen Bus aus DIO 0..2 zusammen, der die Signale IN0, IN1, IN2 erzeugt. Beginnen Sie hierzu in der Liste „Available“ als erstes mit DIO 2 und dann DIO 1, bis DIO 0. In dieser Reihenfolge wird DIO 2 das MSB (Most Signifikant Bit) und DIO 0 das LSB (Least Signifikant Bit).
4 Setzen Sie im Auswahlmenü „Type“ auf „Binary Counter“. Den Output auf „PP“ (=Push-Pull: erlaubte Werte 0 und 1.).
5 Setzen Sie den Takt auf 1 KHz.
6 Starten Sie den Digital Pattern Generator (Click auf „Run“) und prüfen Sie, ob die Funktion „Binary Counter“ ( 3-Bit Counter von 0dez bis 7dez ) korrekt läuft.


Remove

7 Starten Sie den Logic Analyzer, fügen Sie Bus mit DIO 0..2 (= Eingangssignale) und das Signal DIO 5 ein (= Ausgang Outx Ihrer Schaltung). Rechts oben können Sie einen Trigger auswählen, um ein stehendes Bild zu bekommen. Vergleichen Sie das Ergebnis mit der Wahrheitstabelle. Äquivalenz heisst dass die Funktion durch Ihre Schaltung korrekt umgesetzt wird (Gratuliere!). Falls nicht, überprüfen/korrigieren Sie zunächst ihre Minterme und dann den Schaltungsaufbau.


Remove

8 Für die High-Speed-CMOS (HC) Logikfamilie liegt die maximal Betriebsfrequenz bei ca. 50 MHz. Erhöhen Sie nun Schrittweise von 10 MHz auf 100 MHz die Frequenz und beobachten die Signale mit dem Logic Analyzer. Überprüfen Sie auch den Stromverbrauch der Schaltung (im Menü der Spannungsversorgungen). Verändern Sie die Spannung VP+ auf 4V. Wie ändert sich der Stromverbrauch?
Beobachtung:
9 Für die Untersuchung der Verzögerungszeit tpdLH stellen Sie die Frequenz des Pattern Generators wieder auf 1 MHz und die Spannungsversorgung VP+ auf 3,3 V.
Starten Sie das Oszilloskop und aktivieren Sie alle Kanäle. Der Ausgang Ihrer Schaltung (U2, Pin 8) ist bereits mit SCOPE 4(DC) verbunden. Wählen Sie einen geeigneten Kanal als Trigger, um ein stehendes Bild zu erhalten.
a) Wie messen Sie tpdLH ?
Antwort:


b) Antwort: Die Zeit beträgt

tpdLH =
Auch hier können Sie ausprobieren, wie sich die Verzögerungszeit bei erhöhter Spannung VP+ = 4 V ändert.


Optional: Aufbau einer logischen Funktion mit einem Multiplexer



Der Versuchsteil ist optional, falls noch ausreichend Zeit bleibt. Gerne auch als außerplanmäßige Zusatzübung in Absprache mit den Laboringenieur. Realisieren Sie eine Spalte der Wahrheitstabelle als Schaltung. Verwenden Sie dazu Inverter (74HC04, vgl. Tabelle 2), wie im vorherigen Versuchsteil und einen doppelten 4 zu 1 Multiplexer (74HC153). Das enable Signal(E Pin 1) muss mit Masse verbunden sein. Zeichnen Sie einen Schaltplan. Bauen Sie die Schaltung auf.
74HC153 Pin 1 2 3 4 5 6 7 8 14 16
Explorer Board GND GND VP+
Tabelle 6 Verdrahtung des Explorer Boards

Verwenden Sie die Digital Pattern Funktion des Electronic Explorer Boards mit den Kanälen DIO0, DIO1, DIO2 zur Erzeugung der Eingangssignale. Messen Sie die Eingangssignale und das Ausgangssignal mit dem Oszilloskop. Verwenden Sie die Spannungsversorgung VP+ und vergessen Sie nicht die Masse zu verbinden. Dokumentieren Sie Ihre Ergebnisse.

Welche maximale Verzögerungszeit hat ihre Schaltung?



Wie messen Sie die Verzögerungszeit?


Dual 4 Input Multiplexer 74 HC 153






Bitte geben Sie Gruppennummer und Namen ein:
in der Form: A00_Nachname1_Nachname2


Drucken Sie diese Seite für Ihre Unterlagen als pdf Datei aus. Verwenden Sie den Drucker pdf Creator.

Last Saved:




Submit     Recall     Save     Print




    Next Data     Prev Data