Microelectronics Laboratory
2023 Synthesis of a PWM
Prof. Dr. Jörg Vollrath
|
|
Outline
- Specification of a PWM
- C description of a PWM
- VHDL description of a PWM
- Specification, block diagram, subcircuits
- Summary
This laboratory shows an example of a layout synthesis without using commercial tools.
A step by step update will be done.
Specification
- Assumption: fCLK = 100 MHz, tCLK = 10ns like FPGA
- According to servo measurement:
fPWM = 50 Hz, tPWM = 20 ms
tHmin = 0.612 ms, tHmax = 2.412 ms
- Counter based design:
CPWM, CH
- What is the needed counter width?
- Variants: Count up, count down
- Subcircuits: 4 Bit scalable counter, comparator,
set initial count
|
|
- Input and output signals
Input: CLK, WE, A0, D0..Di, EN
Output: PWM
- Include a clock generator?
- Make a schematic, layout and simulation
- Extract propagation delay and power consumption
- Make a data sheet
Count: 20 ms / 10 ns = 2 000 000
N-Bits: 21
CountH: 2.412 ms = 241 200
NH-Bis: 18
PWM Realization
- Arduino Maker WiFi 1010
- BASYS3 FPGA
VHDL description of a PWM
VHDL code from:
FPGA Prototyping by VHDL Examples, Xilinx Spartan-3 Version, Chu, Wiley, ca 90.- Euro,
http://academic.csuohio.edu/chu_p/rtl/
VHDL modules:
- Generic modulo m counter: list_ch04_11_mod_m.vhd
- Test: Timing behaviour
- Create PWM variants
- Full length up counter
- Full length down counter
- 4-Bit scalable up counter
- 4-Bit scalable down counter
- Test PWM
- Synthesize, measure
BASYS3 pin connection file
- Start Vivado and create new project "PWM_<lastName2Initials><FirstName2Initials>"
- Select Default part "xc7a35tcpg236-1" for BASYS3 board
Xilinx Vivado PWM
Start Xilinx Vivado. Configure the project part "xc7a35tcpg236-1" for BASYS3 board and VHDL.

Figure: Vivado project manager
Add
list_ch04_11_mod_m.vhd as Design Sources
Add
Basys3_Master.xdc as Constraints
Edit constraint file: switches, LED counter selection and setting (upper bits),
PMOD: PWM signal for servo and oscilloscope
Create top level pwm
Create test top level pwm
Create variants
Create synthesis file:
After synthesis run Tcl console write_vhdl <filename>.
This gives a structural post synthesis description.
Add
Basys3_Master.xdc as Constraints
Add
list_ch04_11_mod_m.vhd as counter
Add
top_pwm.vhd as top file connecting to hardware
Add
top_pwm_sim.vhd for simulation
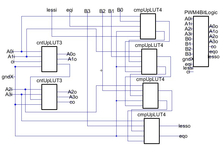
I0 is mapped to cntUpLUT3:A0i and cmpUpLUT3:B
I1 is mapped to cntUpLUT3:A1i and cmpUpLUT3:A
I2 is mapped to cntUpLUT3:Ci and cmpUpLUT3:lessi
I3 is mapped to cmpUpLUT3:eqi
The sequence is chosen according to the truth table columns
PWM Break down
Blocks:
- Count logic
- Compare logic
- Count register
- Start with low number of bits (4) and scale up
|

|
PWM Break down
Variations:
- Count logic:
Inputs: carryin ci and count
Outputs: carry out co and counto
up, dn, LUT3 (cin c(2)), LUT4 (cin c(3)), LUT5 (cin c(4))
- Compare logic:
input: eqi, lessi, a, b
output: eqo, lesso
LSB to MSB, MSB to LSB
compare to value, to 0, to 1
LUT4, LUT6
- Count register
Reset: all0, all1, fixed start, variable start
- Start with low number of bits (4) and scale up
|

|
PWM Task Reduction
4 Bit Variations:
- Count logic:
Inputs: carryin ci and count
Outputs: carry out co and counto
up, dn, LUT3 (cin c(2)), LUT4 (cin c(3)), LUT5 (cin c(4))
- Compare logic:
input: eqi, lessi, a, b
output: eqo, lesso
LSB to MSB (up), MSB to LSB (down)
compare to value (, to 0, to 1)
LUT4, LUT6
- Count register
Reset: all0, (all1, fixed start, variable start)
- Start with low number of bits (4) and scale up
|

|
Work plan
4-Bit PWM with fixed high time
- Use smallest possible subcircuits and pick one simple option:
- Count up, 4 bit, compare with fixed high time setting
- Add later:
- Explore Options
Individual results
|
- Make basic circuit
- Truth table
- LUT
- schematic
- synthesize layout
-
simulate function
- timing information
- Compare logic
- Count register
- Start with low number of bits (4) and scale up
|
Scalable 2 bit count LUT3 truth table
The name is chosen for a counter (cnt),
counting up (Up),
having 3 inputs Ci, A1, A0 needing a LUT3
cntUpLUT3
The counter could count down (Dn) or
more inputs could be used with a bigger lookup table:
Ci, A2, A1, A0 needing a LUT4
Ci, A3, A2, A1, A0 needing a LUT5
Ci, A4, A3, A2, A1, A0 needing a LUT6
countup LUT3 |
Ci | A1i | A0i | |
Co | A1o | A0o |
0 | 0 | 0 | |
0 | 0 | 0 |
0 | 0 | 1 | |
0 | 0 | 1 |
0 | 1 | 0 | |
0 | 1 | 0 |
0 | 1 | 1 | |
0 | 1 | 1 |
1 | 0 | 0 | |
0 | 0 | 1 |
1 | 0 | 1 | |
0 | 1 | 0 |
1 | 1 | 0 | |
0 | 1 | 1 |
1 | 1 | 1 | |
1 | 0 | 0 |
Co = LUT3_08;
A1o = LUT3_C6;
A0o = LUT3_A5;
LUT2A = I0
LUT20 = gndX
LUT2C = I1
LUT2F = vddX
I1 | I0 | LUT20 |
LUT21 |
LUT22 |
LUT23 |
LUT24 |
LUT25 |
LUT26 |
LUT27 |
LUT28 |
LUT29 |
LUT2A |
LUT2B |
LUT2C |
LUT2D |
LUT2E |
LUT2F |
0 | 0 | 0 | 1 | 0 | 1 |
0 | 1 | 0 | 1 |
0 | 1 | 0 | 1 |
0 | 1 | 0 | 1 |
0 | 1 | 0 | 0 | 1 | 1 |
0 | 0 | 1 | 1 |
0 | 0 | 1 | 1 |
0 | 0 | 1 | 1 |
1 | 0 | 0 | 0 | 0 | 0 |
1 | 1 | 1 | 1 |
0 | 0 | 0 | 0 |
1 | 1 | 1 | 1 |
1 | 1 | 0 | 0 | 0 | 0 |
0 | 0 | 0 | 0 |
1 | 1 | 1 | 1 |
1 | 1 | 1 | 1 |
| | gndX |
NOR |
|
NOT(I1) |
|
NOT(I0) |
I0 XOR I1 |
I0 NAND I1 |
I0 AND I1 |
IO XNOR I1 |
I0 |
|
I1 |
|
I0 NOR I1 |
vddX |
Scalable 1 bit compare LUT4 truth table
The name is for a comparator (cmp),
comparing starting from LSB and propagating eq and less to MSB (Up),
resulting with 4 inputs eq, less, A, B in a LUT4.
cmpUpLUT4
Propagation of eq and less could also go from MSB to LSB (Dn).
More inputs could be used (eq, less, A1, A0, B1, B0) resulting in a LUT6.
compare Up LSB to MSB LUT4 |
eqi | lessi | A | B | |
eqo | lesso | comment |
0 | 0 | 0 | 0 | |
0 | 0 | lower bits A greater B, this bit A equals B, result A greater B |
0 | 0 | 0 | 1 | |
0 | 1 | lower bits A greater B, this bit A less B, result A less B |
0 | 0 | 1 | 0 | |
0 | 0 | lower bits A greater B, this bit A greater B, result A greater B |
0 | 0 | 1 | 1 | |
0 | 0 | lower bits A greater B, this bit A equals B, result A greater B |
0 | 1 | 0 | 0 | |
0 | 1 | lower bits A less B, this bit A equals B, result A less B |
0 | 1 | 0 | 1 | |
0 | 1 | lower bits A less B, this bit A less B, result A less B |
0 | 1 | 1 | 0 | |
0 | 0 | lower bits A less B, this bit A greater B, result A greater B |
0 | 1 | 1 | 1 | |
0 | 1 | lower bits A less B, this bit A equals B, result A less B |
1 | 0 | 0 | 0 | |
1 | 0 | lower bits A equals B, this bit A equals B, result A equals B |
1 | 0 | 0 | 1 | |
0 | 1 | lower bits A equals B, this bit A less B, result A less B |
1 | 0 | 1 | 0 | |
0 | 0 | lower bits A equals B, this bit A greater B, result A greater B |
1 | 0 | 1 | 1 | |
1 | 0 | lower bits A equals B, this bit A equals B, result A equals B |
1 | 1 | 0 | 0 | |
1 | 0 | lower bits not there, this bit A equals B, result A equals B |
1 | 1 | 0 | 1 | |
0 | 1 | lower bits not there, this bit A less B, result A less B |
1 | 1 | 1 | 0 | |
0 | 0 | lower bits not there, this bit A greater B, result A greater B |
1 | 1 | 1 | 1 | |
1 | 0 | lower bits not there, this bit A equals B, result A equals B |
eqi | lessi | comment |
0 | 0 | A greater B |
0 | 1 | A less B |
1 | 0 | A equals B |
1 | 1 | lower bits not present |
eqo (eqi, lessi, A, B) = LUT4_0099 = MUX4(LUT20;LUT20;LUT29;LUT29);
eqo (eq1, A, B) = MUX2(LUT20;LUT29);
lesso = LUT4_2B22;
LUT20 = gndX
LUT2A = I0
LUT2C = I1
LUT2F = vddX
Count and compare schematic and layout
Load sclib
Silicon compiler LUT4_37E5
Do DRC check to make sure that there are no errors
Preferences, Technology, Technology, check Alternative active and poly contact rules
Create new library: PWM
Create cell schematic cntUpLUT3, cmpUpLUT4 and connect
Component, Misc, Library: sclib, MUX2{ic} New Instance
Use extra signal gndX and vddX for 0 and F
Create View Make icon
Create cell schematic test_basic for simulation with cntUpLUT3, cmpUpLUT4
count and compare simulation
Each column in the simulation of a
combination I0..I3 is one row in the truth table.
The first column from 0..10ns is for the input "1111".
4 Bit count and compare schematic and layout
rows length width
4 737 x 747 = 550539
3 921 x 584 = 537864
2 1257 x 462 = 580734
4 Bit count and compare logic schematic and layout
rows length width
4 737 x 747 = 550539
3 921 x 584 = 537864
2 1257 x 462 = 580734
Bigger tables
4 841 x 857 = 720737
4 Bit count and compare logic simulation
.include cmosedu_models.txt
.global VDD
VDD VDD 0 DC 1
VGNDX GNDX 0 DC 0
VDDX VDDX 0 DC 1
V8 I8 0 PULSE(0 1 0 1n 1n 1279n 2560n)
V7 I7 0 PULSE(0 1 0 1n 1n 639n 1280n)
V6 I6 0 PULSE(0 1 0 1n 1n 319n 640n)
V5 I5 0 PULSE(0 1 0 1n 1n 159n 320n)
V4 I4 0 PULSE(0 1 0 1n 1n 79n 160n)
V3 I3 0 PULSE(0 1 0 1n 1n 39n 80n)
V2 I2 0 PULSE(0 1 0 1n 1n 19n 40n)
V1 I1 0 PULSE(0 1 0 1n 1n 9n 20n)
V0 I0 0 PULSE(0 1 0 1n 1n 4n 10n)
.tran 2560n
The columns are compared with the truth table.
The results match. Verification is successful.
Delay
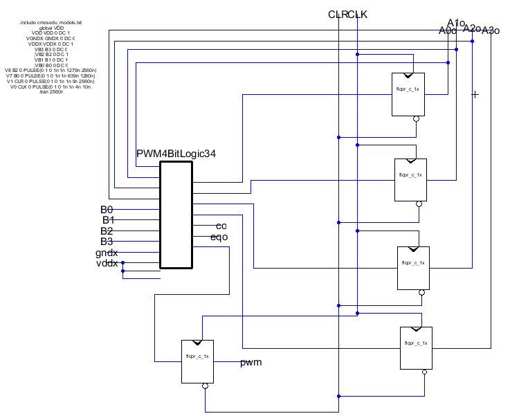
4 Bit PWM schematic
Adding FDC registers for counting and pwm buffer gives 'PWM4Bit'
Inputs: CLK, CLR, B3..B0, gndX, vddX
B3..B0 determines the width of the high pulse
Outputs: A3..A0, pwm (lesso), eqo, co
Adding Ci instead of connection to vddX and
eqi, lessi instead of connection to vddX would
make this module scalable.
4 Bit PWM Simulation
The upper trace shows the PWM signal for different setting B0, B2
Simulation commands
.include cmosedu_models.txt
.global VDD
VDD VDD 0 DC 1
VGNDX GNDX 0 DC 0
VDDX VDDX 0 DC 1
VB3 B3 0 DC 0
;VB2 B2 0 DC 1
VB1 B1 0 DC 1
;VB0 B0 0 DC 0
V8 B2 0 PULSE(0 1 0 1n 1n 1279n 2560n)
V7 B0 0 PULSE(0 1 0 1n 1n 639n 1280n)
V1 CLR 0 PULSE(0 1 0 1n 1n 9n 2560n)
V0 CLK 0 PULSE(0 1 0 1n 1n 4n 10n)
.tran 2560n
4 Bit PWM layout
Area rows length width
Area 4 rows 921 x 779 = 717459
Area 5 rows 840 x 921 = 773640
Area 3 rows 1216 x 625 = 760000
Power: VDD, GND, vddX, gndX
Input: CLK, CLR, B3..B0
Output: A3..A0, co, eqo, pwm
4 Bit PWM layout with Padframe
Adding Padframe to serial to gray code converter
Adding Pad Frame
Use and load the library
Pads4u.jelib.
Keep multiplier as the "Current Library".
Download file
padsMultiplier2x2.arr
and save it to your local directory.
Modify the file according to the inputs and outputs.
Insert in the line core your top level circuit layout name.
Names are case sensitiv.
Try to make a square pad frame:
Tools - Generation - Pad Frame Generator: select file padsMultiplier2x2.arr
Tools - Routing - Sea of Gates Route
Conclusion and Outlook
Conclusion
- Truth tables where implemented with LUTs
- Verification for each subcircuit after each step and the final circuit
was done with simulation
- Registers with clear signal (CLR) were implemented
- Successful synthesis for layout was done
Outlook: Your task
- Design, simulate and synthesize a 4-Bit PWM with
one different option per person:
cntUpLUT5, cntUpLUT6, cntDnLUT5, cntDnLUT6,
cmpUpLut6, cmpDnLUT6, (cntDnLUT4, cmpDnLUT4)
Agree in the group (A, B, C, D, E) who is doing which option
- Pick different settings for high time (position) and simulate
your schematic and layout design
- Compare your design with the given design:
area, number of transistors, maximum delay
- What is limiting a bigger PWM (6, 8, 10, 16 Bits)?
- Make a proposal what you would do to make a bigger PWM circuit
Discussion and Questions
Report 2..4 pages?
Submission time?
Research and Report Topics and Questions
Is it easier to write VHDL text than do a schematic?
Document challenges which were solved together.
Table of delay times and number of transistors, area per used sclib cell.
Delay comparison with source and load and without.
Would it be better to load register, count and compare to all0 or all1?
How does a register with option to preload a custom value look like?
How much area is transitors or cells and how much area is wiring?
Add preload count to count register and make modulo count with compare to 0, F.
Questions
- Which subcircuit are you doing?
cntUpLUT5, cntUpLUT6, cntDnLUT5, cntDnLUT6,
cmpUpLut6, cmpDnLUT6, (cntDnLUT4, cmpDnLUT4)
- With whom do you work together and compare your circuit?
- What is your plan for investigation?