Hochschule Kempten      
Fakultät Elektrotechnik      
Digitaltechnik       Fachgebiet Elektronik, Prof. Vollrath      

Digitaltechnik

04 Verzögerungszeiten, Normalform

Prof. Dr.

Jörg Vollrath


03 Transistorrealisierung und Gatter


Ein kurze Videozusammenfassung der Vorlesung



Länge: 5:54 min

Übungsaufgabe: Zeitverhalten und Verzögerungszeiten


Länge: 3:22 min

Wiederholung und Heute


Heute:

CMOS Transistor Array 4007



Praktikum:
Versuch 1
Bedienung Electronic Explorer
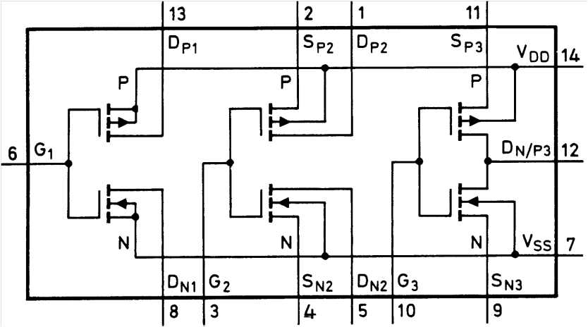
Hier wird ein CD4007 Transistorarray in einem 14 pin DIL (dual in line) Gehäuse gezeigt.
Neben dem realen Bauteil ist auch ein schematische Zeichnung des Gehäuses mit einer Kerbe zur Markierung der Orientierung und der Pinnummerierung und Pinbelegung gezeigt.
Ausserdem ist noch einen Schaltplan des Innenlebens der integrierten Schaltung abgebildet.

Verzögerungszeit

Propagation delay

Vorstellung in der Elektrotechnik:
Aufladung eines Kondensators (RC Delay)



Propagation Delay tP:
Blaue Pfeile
Unterschiedlich für fallende und steigende Signale (Flanken)
Unterschiedliche Transistoren sind aktiv.

Definition

Die Zeit wird von der Änderung des Eingangssignals zur Änderung des Ausgangssignals gemessen.
Eine Lastkapazität (Eingangskapazität C der nächsten Logikschaltung) wird durch einen Transitor mit einem Kanalwiderstand RDSon aufgeladen.

Bezugspegel zur Messung der Zeit sind 50% der Versorgungsspannung (Logisch '1').
Die Verzögerungszeit kann je nach steigender oder fallender Flanke des Signals am Ausgang variieren.
Die Verzögerungszeit kann bei verschiedenen Musterwechseln am Eingang unterschiedlich sein.
tpdLH= t2 - t1; Der Ausgang geht von Low (0) auf High (1)
tpdHL= t4 - t3; Der Ausgang geht von High (1) auf Low (0)

Ursache

Jeder CMOS Transistor hat eine Eingangskapazität am isolierten Gate und einen Widerstand zwischen Drain und Source.
Über den Widerstand wird die Eingangskapazität des nächsten Gatters aufgeladen oder entladen.
Dies benötigt etwas Zeit.

Aufgabe: Wahrheitstabelle, Verzögerungszeit, Zeitfunktion

Geben Sie die boolesche Funktion an.
Geben Sie die Wahrheitstabelle an.

Aufgabe: Wahrheitstabelle, Verzögerungszeit, Zeitfunktion

Zeichnen Sie die Zeitfunktion mit einer Verzögerungszeit von 5ns.
Folgender Zeitverlauf der Eingangssignale ist gegeben.

LTSPICE Simulation

Theorie, Simulation, Messung

Sum of products

Eine Wahrheitstabelle kann durch ODER Verknüpfungen von UND Verknüpfungen dargestellt werden.
Beispiel einer gegebenen Wahrheitstabelle mit x1, x2, x3 und Y:
  x1     x2     x3     Y     H1     H2  
000000
001110
010000
011000
100101
101000
110000
111000
Eine UND Funktion hat nur eine 1, wenn alle Eingänge 1 sind.
Es werden die Hilfsfunktionen H1 und H2 gebildet, die jeweils eine 1 der Y Spalte abbilden.
H1 = /x1 /x2 x3
H2 = x1 /x2 /x3
Eine ODER Funktion ist 1, wenn einer der Eingänge 1 ist.
Y = H1 + H2.
Y = (/x1 /x2 x3) + (x1 /x2 /x3)

Die UND Verknüpfung von n Variablen, die invertiert und nicht invertiert nur einmal auftreten, nennt man Minterm.
Die ODER Verknüpfung von n Variablen, die invertiert und nicht invertiert nur einmal auftreten, nennt man Maxterm.
Die Gleichung nennt man disjunktive Normalform (DNF) oder sum of products (SOP).

Für eine 1 am Ausgang bildet man einen Minterm der Eingangsvariablen.
Ist die Eingangsvariable in der Zeile der Wahrheitstabelle 0 wird sie invertiert.
Die Funktion H1 ist in der 2. Zeile der Wahrheitstabelle 1.
In dieser Zeile sind x1 und x2 0, müssen also invertiert werden.
H1 = /x1 /x2 x3
Durch die UND Verknüpfung wird H1 nur dann 1, wenn alle Operanden 1 sind.
/x1 = 1; x1 = 0
/x2 = 1; x2 = 0
x3 = 1

Fragen und Diskussion

  • Beschreiben Sie das DIL Gehäuse des CD4007?
  • Wie ist eine Verzögerungszeit definiert?
  • Warum treten Verzögerungszeiten auf?
  • Wie wirken sich Verzögerungszeiten auf das Zeitverhalten einer Schaltung aus?
  • Was ist eine Normalform?
05 Multiplexer und VHDL

Begriffe

Begriff/Bauteil Kenn ich nicht Kenne ich Verstehe ich Kann ich erklären Kann ich anwenden
Mikroprozessor


Submit