Elektronik Projektpraktikum Ringoszillator
Autor: Jörg Vollrath, 2020
Aufgabenstellung: Ein Ringoszillator mit einer Schwingfrequenz von 1 MHz bei 5 V Betriebsspannung soll
aufgebaut werden.
Abstract
Mit einem CD4007 Baustein wurde ein Ringoszillator für 5V Betriebsspannung und 1 MHz Frequenz entwickelt.
Die theoretisch Formel für die Schwingfrequenz wurde mit Hilfe gemessener CMOS Transistorparameter ausgewertet
und mit einer LTSPICE simulation und verschiedenen Messungen an der aufgebauten
Schaltung verglichen. Die Leistungsaufnahme bei einer Spannung von 5.5V und einer Schwingfrequenz von 1.1 MHz
betrug bei Raumtemperatur 25 mW.
Die Schaltung wurde mit vorgesehenen Testpunkten in ein beschriftetes Gehäuse eingebaut.
Inhaltsverzeichnis
| | |
+ Bauteilliste
- Bauteilliste
Conrad, Digikey, Reichelt, Mouser
Artikel | Distributer | Bestellnr | Preis |
Bild | Datenblatt |
CD4007UBE, DIP Package, Aktiv, Texas Instiuments | Digikey | 296-3501-5-ND |
0.40 | |
CD4007 |
Kapaziäten 100 pF, 150 pF, 200 pF | | |
| |
|
14 pin DIL Sockel | | |
| |
|
Verbindungsdrähte | | |
| |
|
Lochrasterplatine | | |
| |
|
+ Ausstattung und Messgeräte
- Ausstattung und Messgeräte
- Electronic Explorer: Power supply, function generator, oscilloscope
- LTSPICE: circuit simulation software
- Soldering station
+ Einführung: Die Schaltung Ringoszillator
- Einführung: Die Schaltung Ringoszillator
Im
Script Elektronik findet
man den LTSPICE Schaltplan und eine Simulation für einen Ringoszillator.
Drei CMOS Inverter sind in Reihe geschaltet. Der Ausgang des letzten Inverters wird mit
dem Eingang des ersten Inverters verbunden.
In diesem Projekt soll mit diesem Schaltplan ein Ringoszillator mit f = 1 MHz bei VDD = 5 V
aufgebaut werden und die Frequenz und Leistungsaufnahme in Abhängigkeit der
externen Spannung und zusätzlicher Kapazitäten beschrieben, gemessen und dokumentiert werden.
Man startet mit der Theorie und vergleicht diese mit der Simulation. Nach der Auswahl der Bauteile
mit dem Datenblatt wird die Schaltung mit den entsprechenden Modellen simuliert, aufgebaut,
gemessen und dokumentiert.
Man zerlegt die Schaltung in Bauelemente oder Teilschaltungen: Transistoren und Inverter und
beschreibt diese mathematisch, simuliert und charakterisiert diese.
Theorie
Nach
Wikipedia, Ringoszillator
ergibt sich für die Schwingungsdauer:
\( T = 2 \cdot n \cdot t_D = \frac{1}{f} \)
mit n: Anzahl der Inverter und t
D der Laufzeit (Verzögerungszeit).
Die Verzögerungszeit t
D kann man mit einer RC Konstanten abschätzen:
\( t_D \propto R \cdot C \)
Der Widerstand R ergibt sich aus der MOSFET-Gleichung.
C ist die Eingangskapazität des Inverters.
Mit zusätzliche Kapazitäten kann man die Verzögerungszeit vergrößern.
Die Leistungsaufnahme wird durch das Umladen der Kapazitäten bestimmt.
\( P = U \cdot I = U_{DD} \cdot \frac{Q}{t} = U_{DD} \cdot f \cdot C \dot U_{DD}
= U_{DD}^2 \cdot f \cdot C \)
Detaillierte Betrachtungen findet man unter
Integrierte Schaltungen Dr. Wolf, Prof. Klar, TU Berlin
Die Transistoren haben Kapazitäten und Widerstände.
C = Cox
Den Widerstand kann man für VDS = VGS = VDD abschätzen:
R = VDSmax/IDSmax
Die Frequenz der Schwingung ergibt sich aus den Verzögerungszeiten:
tpdHL = 0.7 * Rn * C
tpdLH = 0.7 * Rp * C
Rn und Rp sind die Widerstände von NFET und PFET, C die Gate-Source, Gate-Drain
und Lastkapazitäten.
Im elektrischen Modell werden die Kapazitäten der Transistoren mit dem Drain-Source Strom der
Transistoren geladen und entladen.
Die Periodendauer eines Ringoszillators mit 3 Invertern ergibt sich zu:
TP = n * 0.7 * C (Rn + Rp)
n: Anzahl der Inverter
Die mittlere Stromaufnahme ist:
C = Q / U = I * t / n / VDD = 2 * VDD/(Rn + Rp) * TP / n / VDD
IAVG = 2 * VDD / (Rn + RP)
PAVG = 2 * VDD * VDD / (Rn + RP)
Setzt man die Parameter der Simulation in diese Gleichungen ein erhält man:
VDD = 5 V
C = (CGS0 + CGDO) = 1.8 pF
RN = VDS / IDS = VDS * 2 / KP / (VGS - VT0)^2 = 5 V * 2 / 500E-6 / 16 V^2
= 1250 Ω
TP = 3 * 1.8 pF * 1250 = 6.79 ns
f = 148 MHz
Es gibt einen grossen Unterschied zwischen Theorie und Simulation.
Fügt man eine Kapazität am Eingang ein, sieht man bei Kapazitäten größer 1 pF
einen Einfluss auf die Frequenz.
Bauteilauswahl und Datenblatt
Man kann bei Conrad, Digikey, Reichelt Mouser oder anderen Distributoren nach Invertern oder MOSFETs suchen.
Hier wurde der Baustein CD4007 ausgewählt, da er viele Einsatzmöglichkeiten hat,
bei 5 V betrieben werden kann und
bei 5 V eine spezifizierte Verzögerungszeit von 55 ns hat.
\( f_{max} = \frac{1}{2 \cdot 3 \cdot 55 ns } = 3 MHz\)
Die Eingangskapzität wird mit 10 pF angegeben.
Der Ausgangsstrom (Output Low/High Current IOL/IOH min) bei 5 V wird
mit mindestens 1 mA angegeben.
Die Kennlinie bei 5 V, 10 V, 15 V zeigt einen typischen Strom von 4 mA, 14 mA, 27 mA (Fig 5).
Figure 12 zeigt die Verzögerungszeit bei 5V bei verschiedenen Lasten.
Man kann eine Geradengleichung abschätzen:
\( t_D = 20 ns + \frac{30 ns}{50 pF} C_L \)
Für eine Frequenz von 1 MHz benötigt man eine Verzögerungszeit von:
\( t_D = \frac{1}{2 \cdot n \cdot f}
= \frac{1}{2 \cdot 3 \cdot 1 MHz} = 167 ns \)
Für diese Frequenz schätzt man eine Kapazität von 250 pF ab.
Diese Überlegungen sollen mit der Simulation bestätigt werden.
Schaltungssimulation
Im
Script Elektronik findet
man ein LTSPICE MOSFET Modell
.model CD4007N NMOS(LEVEL=1 KP=500u VT0=1 LAMBDA=0.002 CGSO=45n CGBO=2n CGDO=45n)
.model CD4007P PMOS(LEVEL=1 KP=500u VT0=-1 LAMBDA=0.002 CGSO=45n CGBO=2n CGDO=45n)
CGD0 und CGS0 werden bei LTSPICE in F/m angegeben. Der default Wert für W und L sind 20 µm.
CGD0 = 45 nF entspricht damit CGDO * 0.00002 = 0.9 pF.
Man bekommt folgendes Simulationsergebnis bei einer Versorgungsspannung von 5V.

Mit Hilfe der folgenden Anweisungen wird Periodendauer und Frequenz bestimmt.
.MEAS TRAN T1 WHEN V(U0)=2.4 RISE=1
.MEAS TRAN T2 WHEN V(U0)=2.4 RISE=2
.MEAS TRAN TP PARAM T2-T1
.MEAS TRAN F PARAM 1/TP
Die Verzögerungszeiten sind tpdHL = 45 ns und tpdLH =40 ns.
Die Periodendauer beträgt: 259 ns
Die Frequenz ist: 3.85 MHz
Der mittlere Stromverbrauch ist 2.144 mA.
Dies entspricht den Erwartungen auf Grund des Datenblatts.
Untersuchung von VDD und IAVG für die Bestimmung von Rn und Rp
VDD / V | 5 | 6 | 7 | 8 | 9 | 10 | 12 | 15 |
IAVG / mA | 2.14 | 3.39 | 4.94 | 6.78 | 8.93 | 11.4 | 17 | 28.3 |
f / MHz | 3.85 | 5.09 | 6.34 | 7.60 | 8.86 | 10.1 | 12.7 | 16.5 |
Bei VDD = 5V erwartet man mit dem vorhandenen einfachen LEVEL1
Transistormodell IDS = 0.5mA (5 - 1)^2 = 8 mA Strom.
Trennt man die Rückkopplung auf und legt an den Eingang ein Serienwiderstand (100 kΩ) und eine
Spannungsquelle (2.5 V) und führt eine AC Simulation durch kann man bei 5V eine
3dB Eckfrequenz von 566 Hz und damit eine Eingangskapazität von:
C = 1 / 2 / π / R / f = 1 / 2 / π / 100 kΩ / 566 Hz = 2.8 pF
bestimmen.
Spannungsquelle (2.7 V) f3db = 45 kHz: C = 35 pF
Spannungsquelle (2.6 V) f3db = 35 kHz: C = 45 pF
Spannungsquelle (2.5 V) f3db = 566 Hz: C = 2.8 pF
Spannungsquelle (2.4 V) f3db = 34 kHz: C = 45 pF
Spannungsquelle (2.3 V) f3db = 44 kHz: C = 35 pF
Spannungsquelle (2.2 V) f3db = 52 kHz: C = 30 pF
Eine Transientenanalyse Spannungsquelle (2.5 V) 0.5V Amplitude ergibt f3db = 25 kHz ergibt C = 63 pF
Das Ausgangssignal ist nicht sinusförmig.
Eine AC Analyse mit Source und Drain auf konstanten Potential verbunden ergibt:
Eckfrequenzen von 173 MHZ (PFET) und 315 MHz (NFET) entsprechend Cinp = 9 pF und Cinn = 5pF
Weiterhin wird untersucht, wie sich die Verzögerungszeit bei Veränderung
der Lastkapazität verhält.
CL/pF | 20 | 40 | 60 | 80 |
tDsim5V/ns | 66 | 89 | 112 | 130 |
tDData5V/ns | 36 | 48 | 60 | 73 |
+ Praktischer Aufbau Transistormessung
- Praktischer Aufbau Transistormessung
Aufgrund des Unterschieds zwischen Datenblatt und Simulation wird noch einmal versucht durch Messung
die Transistorparameter Vth, KN, KP und Cin zu bestimmen.
Messung der statischen Kennlinien
Die Transistorparameter und die Kennlinien können analog zu
dem Versuch 4
und
dem Versuch 5 bestimmt werden.
Mit dem Spannungsabfall am Messwiderstand R1 wird der Drain-Source-Strom für
verschiedene UGS und UDS bestimmt.
Die Parameter werden entsprechend der Vorlesung
MOSFET Transistor MOSFET Parameterextraktion bestimmt.
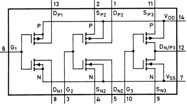
NFET

Verdrahtungsliste:
NFET Transistor 3:
Gate Pin 6 auf Pin 8, OSC1
Source Pin 7 auf GND
Drain Pin 8 auf 100Ω, OSC2
AWG1 auf 100Ω auf OSC3
Übertragungskennlinie: AWG1 = 1V..4V 0.2V Schritten, 100 Ω
OSC1 (UGS) / V | 0.98 | 1.77 | 1.96 | 2.15 | 2.33 | 2.70 | 3.05 | 3.40 | 3.74 | 5.37 |
OSC3 (AWG1) / V | 0.98 | 1.80 | 2.00 | 2.20 | 2.40 | 2.80 | 3.20 | 3.60 | 4.00 | 6.00 |
IDS = (OSC3 - OSC1)/100 / mA | 0 | 0.30 | 0.40 | 0.50 | 0.70 | 1.00 | 1.50 | 2.00 | 2.60 | 6.30 |
Übertragungskennlinie: AWG1 = 1V..4V 0.2V Schritten, 1 kΩ
OSC1 (UGS) / V | 2.03 | 2.25 | 2.45 | 2.64 | 2.82 | 3.60 | 4.26 |
OSC3 (AWG1) / V | 2.39 | 2.80 | 3.20 | 3.60 | 4.00 | 6.00 | 8.00 |
IDS = (OSC3 - OSC1)/1000 / mA | 0.36 | 0.55 | 0.75 | 0.96 | 1.18 | 2.40 | 3.74 |
Uth = 1 V
beta = 0.350 mA/V^2
KP = 700 µA/V^2
Gate wird auf AWG2 gelegt.
Ausgangskennlinie UGS = AWG2 = 4V, 1 kΩ
OSC2 (UDS) / V | 0.52 | 1.25 | 2.85 | 3.82 | 4.80 | 5.78 | 6.76 |
OSC3 (AWG1) / V | 2.00 | 4.00 | 6.00 | 7.00 | 8.00 | 9.00 | 10.00 |
IDS = (OSC3 - OSC1)/1000 / mA | 1.48 | 2.75 | 3.15 | 3.18 | 3.20 | 3.22 | 3.24 |
λ = 0.0081 V^-1
PFET
PFET Transistor 3:
Gate Pin 6 auf Pin 13, OSC1
Source Pin 14 auf GND
Drain Pin 13 auf 1 kΩ, OSC2
AWG1 auf 1 kΩ auf OSC3
Übertragungskennlinie: AWG1 = -1V..-4V 0.2V Schritten, 100 Ω
OSC1 (UGS) / V | -1 | -1.38 | -1.54 | -1.68 | -1.80 | -1.93 | -2.15 | -2.35 | -2.59 | -2.81 | -3.20 | -3.91 | -4.77 |
OSC3 (AWG1) / V | -1 | -1.40 | -1.60 | -1.80 | -2.00 | -2.20 | -2.60 | -3.00 | -3.50 | -4.00 | -5.00 | -7.00 | -10.00 |
IDS = (OSC3 - OSC1)/1000 / mA | 0 | -0.02 | 0.04 | -0.12 | -0.20 | -0.27 | -0.45 | -0.65 | -0.91 | -1.19 | -1.80 | -3.09 | -5.23 |
y=-0.0198x-0.0218
β = 0.392 mA/V-2
KP = 784 µA/V^2
Gate wird auf AWG2 gelegt.
Ausgangskennlinie UGS = AWG2 = -4V, 1 kΩ
OSC2 (UDS) / V | -6.43 | -2.84 | -1.51 | -0.65 | -3.70 | -5.50 | -4.60 |
OSC3 (AWG1) / V | -10.00 | -6.00 | -4.00 | -2.00 | -7.00 | -9.00 | -8.00 |
IDS = (OSC3 - OSC1)/1000 / mA | -3.57 | -3.16 | -2.49 | -1.34 | -3.30 | -3.50 | -3.4 |
y = 0.1x-2.9366
λ = 0.0340 V^-1
Input Kapazität
Als erstes wird die Breadboardkapazität bestimmt:
Messung Übertragungsfunktion 2V 100k + - Leitung 3dB 30kHz, C= 53 pF
Messung Übertragungsfunktion 2V 100k ohne Leitung 3dB 70kHz, C = 22 pF
Messung Übertragungsfunktion 2V 100k 5er Leitung 3dB 60kHz, C = 26 pF
Messung Übertragungsfunktion 2V 1M + - Leitung 3dB 2.2kHz, C = 72 pF
Die Breadboardkapazitäten werden nur bei den Versorgungsleitungen mit 50..70 pF sichtbar.
Die Messgenauigkeit bzw. Kapazität des Messaufbaus alleine liegt bei 20pF.
Messung Übertragungsfunktion 2V 1M Kapazität 1nF 3dB 180 Hz, C = 0.88 nF = 880 pF
Messung Übertragungsfunktion 2V 100k Kapazität 1nF 3dB 1.65 kHz, C = 0.96 nF = 960 pF
Kapazitäten um 1 nF können gut bestimmt werden.
VDD = 5V = VP+ pin 14
Pin 13 und Pin 17 Ausgang verbunden.
Pin 6 Gate SCOPE 1, R = 100 kΩ
AWG1 verbunden mit R= 100 kΩ
Pin 7 GND
Network Analyzer
AWG1 2.5V Offset, 200mV Amplitude
C = 1 / 2 / π / 100 kΩ / 20 kHz = 80 pF
AWG1 2.0V Offset, 200mV Amplitude
C = 1 / 2 / π / 100 kΩ / 35 kHz = 45 pF
Messung NFET:
Uthn= 1 V
Kp = 700 uA/V^2
λ = 0.0081 V^-1
Messung NFET:
Uthp= -1.1 V
Kp = 784 uA/V^2
λ = 0.034 V^-1
Kapazität:
Cin = 45..80 pF
|
+ Ringoszillator Messung
- Ringoszillator Messung
Start: 14:31 - 15:05
Pin 14 VP+
Pin 13 Pin 8 Pin 3 OSC2
Pin 2 VP+
Pin 1 Pin 5 Pin 10 OSC3
Pin 4 GND
Pin 7 GND
Pin 11 VP+
Pin 9 GND
Pin 12 Pin 6 OSC1
VP+ / V | 5 | 6 | 7 | 8 | 9 | 4 | 3 | 2 | 1.5 | 1.3 | 1.2 | 1.1 |
f kHz | 3438 | 4255 | 4960 | 5560 | 6095 | 2494 | 1499 | 506 | 128 | 38 | 13 | 2.5 |
IDD mA | 3 | 5 | 7 | 9 | 11 | 2 | | | | | | |
+ LTSPICE Simulation
- LTSPICE Simulation
25.01.2021: 7:30-8:58
Geändertes Modell:
.model CD4007N NMOS(LEVEL=1 KP=700u VT0=1 LAMBDA=0.008 CGSO=90n CGBO=.2n CGDO=90n)
.model CD4007P PMOS(LEVEL=1 KP=784u VT0=-1.1 LAMBDA=0.034 CGSO=90n CGBO=.2n CGDO=90n)
VDD / V | 5 | 6 | 7 | 8 | 9 | 10 | 12 | 15 |
IAVG / mA | 3.2 | 5.2 | 7.65 | 10.6 | 14.2 | 18.3 | 28.3 | 47.7 |
f / MHz | 2.95 | 3.98 | 5.03 | 6.1 | 7.23 | 8.36 | 10.7 | 14.4 |
+ Zusammenfassung
- Zusammenfassung
Die Schaltung wurde erst ohne Kapazitäten gemessen und mit der Simulation verglichen.
VDD / V | 5 | 6 | 7 | 8 | 9 |
Modell2 IAVG / mA | 3.2 | 5.2 | 7.65 | 10.6 | 14.2 |
Modell1 IAVG / mA | 2.14 | 3.39 | 4.94 | 6.78 | 8.93 |
Messung IDD mA | 3 | 5 | 7 | 9 | 11 |
Man sieht deutliche Unterschiede zwischen Messung und Simulation.
VDD / V | 5 | 6 | 7 | 8 | 9 |
Modell2 f / MHz | 2.95 | 3.98 | 5.03 | 6.1 | 7.23 |
Modell1 f / MHz | 3.85 | 5.09 | 6.34 | 7.60 | 8.86 |
Messung f / MHz | 3.438 | 4.255 | 4.960 | 5.560 | 6.095 |
Messung mit verschiedenen Kapazitäten
5 V, 1 nF (Aufdruck 102), 211 kHz
5 V, 0.1 nF (Aufdruck 101), 1.28 MHz
5 V, 0.2 nF (2 x Aufdruck 101), 787 kHz
Für den Betrieb wurde eine Kapazität von 150 pF aus drei 100 pF Kapazitäten verwendet.
Messung der Variabilität
- Kapazität: +- 10%
- Spannung: +- 10%
- Temperatur: 0°, 50°
- CD4007 austauschen, anderer Hersteller
Betriebspunkt:
VDD = 5 V, C = 0.15 nF, 25°C, ftyp = 0.975 MHz, Iavg = 3.8 mA
Minimum und maximum Werte:
VDD = 5 V, C = 0.10 nF, 25°C, ftyp = 1.28 MHz
VDD = 5 V, C = 0.20 nF, 25°C, ftyp = 0.787 MHz
VDD = 5.5 V, C = 0.15 nF, 25°C, fmax = 1.10 MHz, Iavg = 4.5 mA
VDD = 4.5 V, C = 0.15 nF, 25°C, fmin = 0.840 MHz, Iavg = 2.85 mA
Platine
Die Platine ist analog zum Steckbrett aufgebaut.
GLOBALSCALE=0.7
IC||264|312|1|CD4007|U?|||DIP14|IC||DIP14
IC||453|312|1||U?|||DIP14|IC||DIP14
Capacitor||451|310|5|Capacitor|C?||2||||cap_5
Capacitor||489|310|5|Capacitor|C?||2||||cap_5
Capacitor||526|310|5|Capacitor|C?||2||||cap_5
Wire||269|194|2|||#FF0000|1||||
Wire||290|269|1|||#FF9000|5||||
Wire||308|385|1|||#00A060|6||||
Wire||401|310|2|||#FF9000|4||||
Wire||384|269|1|||#CC6D00|2||||
Wire||571|194|2|||#FF0000|1||||
Wire||571|444|2|||#FF0000|1||||
Wire||403|269|1|||#FF0000|5||||
Wire||498|269|1|||#CC6D00|2||||
Wire||458|444|2|||#FF0000|1||||
Wire||496|444|2|||#FF0000|1||||
Wire||533|444|2|||#FF0000|1||||
Wire||252|385|1|||#FF0000|3||||
Wire||250|310|2|||#FF9000|4||||
Wire||250|194|2|||#FF0000|1||||
Wire||271|404|1|||#DFFF00|5||||
Wire||231|310|2|||#FF9000|4||||
Wire||233|404|1|||#FF0000|3||||
Wire||233|250|1|||#DFFF00|7||||
Wire||365|250|1|||#DFFF00|9||||
Wire||535|250|1|||#CC6D00|2||||
Wire||325|444|2|||#FF0000|1||||
Wire||325|194|2|||#FF0000|1||||
Wire||365|231|1|||#FF9000|4||||
Wire||420|310|2|||#FF9000|4||||
Wire||420|444|2|||#FF0000|1||||
Wire||460|288|1|||#CC6D00|2||||
Wire||477|444|2|||#FF0000|1||||
Wire||515|444|2|||#FF0000|1||||
Wire||552|444|2|||#FF0000|1||||
Wire||308|288|1|||#00A060|7||||
Wire||365|423|1|||#00A060|4||||
Wire||441|288|1|||#CC6D00|2||||
Wire||439|310|2|||#FF9000|4||||
BREADBOARDSTYLE=BB7
Es wurden Testpunkte für die Anschlüsse und Messungen am 2. Sockel implementiert.
Die Kapazitäten wurden auf den 2. Sockel gesteckt, damit diese austauschbar sind.
Man könnte noch Brücken auf dem Sockel vorsehen, damit die Gesamtschaltung in einzelne
Schaltungsblöcke zur besseren Analyse aufgeteilt werden kann.
Pinbelegung 2. DIL 14 Sockel:
Pin 13 OSC1 (Ausgang 1)
Pin 11 OSC2 (Ausgang 2)
Pin 9 OSC3 (Ausgang 3)
Pin 8 VP+
Pin 7 GND, 0 V
Pin 1 Pin 14 C1
Pin 3 Pin 12 C2
Pin 5 Pin 10 C3
Es wurde eine abschliessende Messung durchgeführt.
VDD = 5 V, C = 0.10 nF, 25°C, f = 1.34 MHz
Die Frequenz ist im Vergleich zum Breadboard erhöht.
Die parasitären Kapazitäten sind geringer.
Jedes Board muss bei einer Fertigung am Ende gemessen und kalibriert werden.
Zusammenfassung
Die Übereinstimmung von Theorie, Simulation und Messung ist
tendenziell da, aber nicht sehr genau.
Das LEVEL 1 Transistormodell ist nicht ausreichend.
Mit der Versorgungsspannung nimmt die Frequenz des Ringoszillators
und die Leistungsaufnahme zu.
Mit zusätzlichen Lastkapazitäten nimmt die Frequenz ab.
Bei Änderungen der Temperatur, Spannung und der Lastkapazitäten um 10%
ändert sich die Frequenz um 10 %.
Die vorgestellte Schaltung kann nur kleine Lasten C < 10 pF treiben,
ansonsten benötigt man noch einen Treiberbaustein.
Die Dokumentation könnte man noch verbessern.
Ma sollte die Anschlüsse direkt auf der Schaltung noch beschriften.
Man sollte die Schaltung noch in ein
Gehäuse einbauen.
+ References
- References
Versuche Labor Elektronik 3
Vorlesung Elektronik 1
Datenblatt CD4007
Die Rohdaten wurden auch lokal in dem Verzeichnis Elektronik in einer Excel-Datei: OpAmp272RemoteBode.xls gespeichert.
Zeitaufwand
23.01.2021: 14:33-16:14 Theoriegleichung
24.01.2021: 8:45-10:15 Aufteilung in LTSPICE, Theorie, Datenblatt und
Untersuchung der Ströme und der Eingangskapazität
24.01.2021: 10:45-11:49 Kapazitätssimulation
24.01.2021: 11:53-13:09 NFET Messung
24.01.2021: 13:34-14:05 PFET Messung
24.01.2021: 14:05-14:31 Input Kapazität
24.01.2021: 14:31-15:05 Ringoszillator
25.01.2021: 7:30-8:58 LTSPICE Simulation
25.01.2021: 10:00-10:30 Breadboardkapazität
23.02.2021: 10:00-12:00 Simulation, Messung Variabilität (C, VDD) und Dokumentation
24.02.2021: 8:30-10:00 Lötaufbau und Messung
Gesamter Zeitaufwand mindestens ca. 9 x 90 min.