Hochschule Kempten      
Fakultät Elektrotechnik      
GET2       Fachgebiet Elektronik, Prof. Vollrath      

Grundlagen Elektrotechnik 2 (GET2)

17 Übertragungsfunktion

Prof. Dr. Jörg Vollrath


16 Ortskurven



Video GET2 01 Einführung kompakt

Video der 19. Vorlesung 8.6.2021


Länge: 1:22:04
0:0:0 Evaluierung

0:0:0 Differenzverstärker

0:2:0 Eingangs und Ausgangswiderstand

Rückblick und Heute (19.05.2025)

Ortskurven



Heute:
Führer, Neretter:

Netzwerkanalysator

S-Parameter Messplatz

Keyence, Agilent, HP
Rhode & Schwarz

Smith Chart Digikey
Rhode & Schwarz HF Tore
Impedance Measurement

Smith Diagram


Smith Diagramm, Smith Chart: Einführung

Smith Diagramm Möbiustransformation



Abbildung der Gauß-Ebene
Moebiustransformation
\( \underline{W}(\underline{z}) = \frac{\underline{z}}{1 + \underline{z}} \)
Das Bild zeigt wie die rechte Halbebene des komplexen Koordinatensystems in einen Kreis abgebildet wird.
Wir rechnen einige Werte manuell um:
\( \underline{z} \) \( \underline{W}(\underline{z}) \)
0 + j 0 0 + j 0
1 + j 0 0.5 + j 0
2 + j 0 0.33 + j 0
0 + j 2 \( \frac{ 2 j (1-j 2}{1 + 4} = 0.8 + j 0.8 \)
0 - j 2 \( \frac{ 2 j (1+j 2}{1 + 4} = -0.8 + j 0.8 \)
2 + j \( \frac{ (2 + j) (3 - j)}{9 + 1} = 0.7 + j 0.1 \)
0.4 - j 0.2 \( \frac{ (0.4 - j 0.2) (1.4 + j 0.2)}{1.96 + 0.04} = 0.3 - 0.1 j\)
Mittelpunkt des Kreises ist die Koordinate: 0.5 + j 0
Reine Imaginärwerte liegen auf dem äusseren Kreisrand.

Das vollständige Smith Diagramm


  • Wellenlänge (Generator, Last)
  • Reflexionsfaktor
  • Übertragungsfaktor
  • Kapazität, Induktivität

Smith Diagramm Leitungstheorie

Reflexionsfaktor:
Stehwellenverhältnis (SWR):

Smith Diagramm Beispiel (Wikipedia)



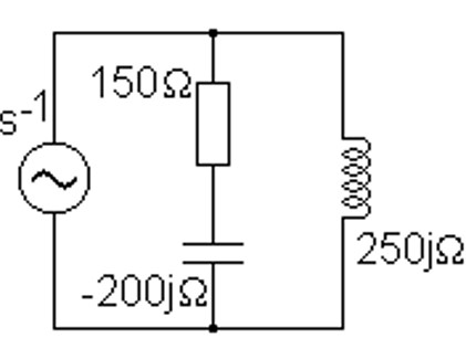
Normierung: 100 Ω
\( \underline{Z} = \frac{1}{\frac{1}{R + \frac{1}{j \omega C}} + \frac{1}{j \omega L}} \)
\( \underline{z} = \frac{1}{\frac{1}{1.5 - 2j} + \frac{1}{j 2.5}} \)

Smith Diagramm Beispiel (Wikipedia)


Übertragungssystem




Im Bild sieht man ein typisches Übertragungssystem. Es sind Blöcke (4 Pole, Zweitore und 2 Pole) und darunter mögliche pralktische Realisierungen mit Bauteilen der Blöcke dargestellt.
Eine Spannungssignalquelle ist links dargestellt und das Signal durchläuft 2 Blöcke, bis es an einer Last RL ankommt.
Die Stromquelle iA ist eine gesteuerte Stromquelle wie sie in einem Verstärker vorkommt. z.B. iA = gm · uEi
Man sieht wie man ein komplexes System in kleinere einfachere Einheiten zerlegt.
Eine Übertragungsfunktion stellt den Zusammenhang zwischen Spannungen und Strömen dar.
z.B. uEL = f(uA0)
Übertragungsfunktion
\( \underline{T}(\omega) = \frac{\underline{U}_{EL}}{\underline{U}_{A0}} \)

Beispiel: Berechnung und LTSPICE Simulation RL


Wie ändert sich die Ausgangsspannung Uout mit der Frequenz?
R1 = 80 Ω
R2 = 8 Ω
L1 = 15 µH
UE = 250 mV

Gesucht: Uout(1 kHz, 10 kHz, 100 kHz, 300 kHz, 1 MHz, 10 MHz)



Zusammenfassung und nächstes Mal

18 Bode Diagramm


  Hochschule für angewandte Wissenschaften Kempten, Jörg Vollrath, Bahnhofstraße 61 · 87435 Kempten
  Tel. 0831/25 23-0 · Fax 0831/25 23-104 · E-Mail: joerg.vollrath(a)hs-kempten.de
Impressum