Hochschule Kempten      
Fakultät Elektrotechnik      
Elektronik 3       Fachgebiet Elektronik, Prof. Vollrath      

Elektronik 3

06 MOSFET

Prof. Dr. Jörg Vollrath


05 Diodenschaltungen



Länge: 00:42:10
0:0:0 Bis 9.11.20 Übung 1 Aufgabe 1,2 Übung 2 Aufgabe 3, WS2011 Aufgabe 1; WS2012 Aufgabe 2

0:2:40 Was haben Sie im Praktikum gelernt?

0:4:4 Reflektieren was sie gelernt haben

0:6:50 Abbildung x U Diode, y I Diodenstrom

0:8:18 Ergebnissicherung

0:10:12 Messbereich Oszilloskop Formatfüllende Darstellung

0:12:40 2 Perioden

0:14:25 MOSFET Was nehmen Sie aus der Folie mit?

0:14:57 MOSFET Anschlüsse G, S, D, B

0:17:59 Schaltsymbole

0:19:43 Funktionsprinzip

0:20:59 NFET Kennlinienfeld

0:22:21 Ausgnagskennlinie IDS(UDS) Übertragungskennlinie I(UGS)

0:24:54 Negative Bulkspannung

0:26:54 Drain und Source werden durch angelegte Spannungen definiert

0:28:29 Typen des Feldeffekttransistors

0:31:33 Kennlinien

0:33:10 Vereinfachtes Schaltsymbol

0:34:54 Schalter und Verstärker

0:35:54 Messaufbau für die Kennlinie V4

0:38:48 Gleichung des NFET

0:42:54 3 Parameter Uth, β , λ

0:53:8 Wichtige Kenngrößen, W und L

0:55:39 Schwellspannung

0:57:31 Beispiel NMOS Arbeitsbereich und Strom

1:0:49 Arbeitsbereich Nicht im Sperrbereich

1:2:2 Gleichung für den Strom

1:2:54 1 + λ UDS

1:4:36 Datenblatt Vt, IDS, GOS

1:7:16 Betriebsbereich

1:10:4 PFET Absolutwerte

Elektronik 3 alt Vorlesung und Video Stromspiegel
Elektronik 3 alt Vorlesung und Video Differenzverstärker

Rückblick und Heute

Diode

MOSFET

Elektronische Schaltungstechnik, Reinhold: Kapitel 6, S. 102-124
Microelectronic, Jaeger: Chapter 4, page: 145-216

NFET Kennlinienfeld

Querschnitt eines MOSFET
Ugs [V] Uds [V] Ubs [V]
0 0 0
Ausgangskennlinie

Übertragungskennlinie


Im Querschnitt des n-Kanal MOSFETs (NFET, NMOS) sieht man in hellgrün die stark n-dotierten (n+) Gebiete von Source (S) und Drain (D) in einem schwach p-dotiertem Silizium Wafer (Bulk Kontakt). Diese werden darüber mit Aluminium-Metallkontakten nach oben verbunden (dunkelblau). Zwischen Source und Drain befindet sich das isolierte (grau) Gate (orange, Polysilizium).
Das Isolationsmaterial ist meist SiO2 (Siliziumoxid, Glas) oder Si3N4 (Siliziumnitrid).

Die Animation zeigt, wie sich die Raumladungszone (Source-Bulk, Drain-Bulk, hell orange) und die Ladungsträgerkonzentration (hellgrün) sich bei angelegter Spannung ändert. Dabei wird der gewählte Arbeitspunkt im Kennlinienfeld (oben Ausgangskennlinie, unten Übertragungskennlinie) markiert.


Wie sieht der Querschnitt und das Kennlinienfeld eines PFETS aus?


Die Gleichung des n-Kanal MOSFETs

\( I_{DS} = \cases{ 0 & \text{ Sperrbereich } \cr \text{ für } U_{GS} \leq U_{th} \cr \cr \beta \left( U_{GS}-U_{th} \right)^2 \left( 1+\lambda U_{DS} \right) & \text{ Sättigung} \cr \text{ für } 0 \leq U_{GS} - U_{th} \lt U_{DS} \cr \cr \beta \left( 2 \left( U_{GS}-U_{th} \right) U_{DS} - U_{DS}^2 \right) & \text{ Triodenbereich} \cr \text{ für } 0\leq U_{GS} - U_{th} \geq U_{DS} } \)

\( \beta = \frac{\mu_n \epsilon_{ox}}{2d_{ox}} \frac{W}{L} = \frac{1}{2} \mu_n C_{ox}^{'} \frac{W}{L} = \frac{1}{2} K_{n}^{'} \frac{W}{L} = \frac{1}{2} K_{n} = \frac{1}{2} KP \)

Stromspiegel

Einsatz:
  • Lastelement anstatt eines Widerstandes
  • Konstantstromquelle

Es soll das Stromverhältnis I2 zu I1 berechnet werden.


Ein Strom I1 durch M1 stellt eine Gate Source Spannung der Transistoren ein und bewirkt einen Stromfluss I2 = I1 im Transistor M2.
Der Strom durch M2 bleibt bei Variation der Spannung VDD nahezu konstant (Stromquelle).

Ausgangswiderstand des Stromspiegels

Bei einer realen Stromquelle interessiert der Innenwiderstand der Quelle.

Ausgangswiderstand von M2


Beispiel MOS Stromspiegel

Berechnen Sie den Strom \( I_2 \) und den Ausgangswiderstand von folgender Schaltung.
\( I_{1} = 150 \mu A, V_{DD} = 10 V,\)
\( V_{Th} = 1 V, K_{n} = 250 \mu A V^{-2},\)
\( \lambda = 0.0133 V^{-1} \)

Nachdenken über die Lösung

Simulation und Demonstration




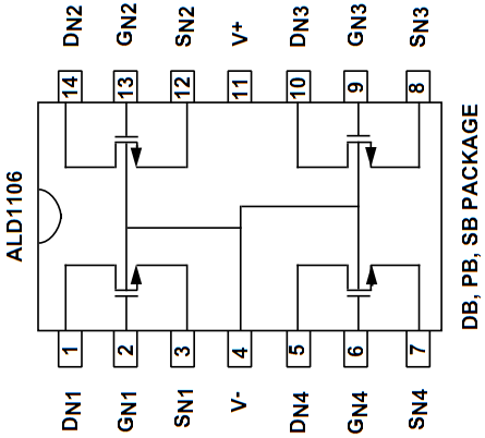
Ein PFET Array ALD1107 wird mit R1 = 1 kOhm und R2 = 100 Ohm verschaltet und mit dem Electronic Explorer betrieben.
Die Versorgungsspannung VP+ = 8V liegt an. Bei grosser Variation der Ausgangsspannung VAWG2 verändert sich der Ausgangsstrom \( I_{R2} = \frac{OSC3 - OSC4}{100} \) wegen des hohen Ausgangswiderstandes kaum.
Man bestimmt mit AWG1 = 1 V, -5 V (Rechtecksignal, f = 500 Hz, Amplitude = 3 V, Offset = -2 V) den Strom I1 (M1) = 2 mA, 4.5 mA und erkennt, dass bei Variation von AWG2 (Triangle, f = 1 kHz, Amplitude = 4 V, Offset = 0 V) von -3 V bis zu +3 V sich der Strom nur wenig ändert.
Die typische Stromquellen Kennlinie ist in der xy Darstellung zu sehen.

Differenzverstärker: Schaltbild

  • Stromquelle M6 (NFET)
  • Stromspiegel M4, M5 (PFET)
  • Eingangstransistoren M2, M7 (NFET)
  • Gleiche Transistorpaare
    • M2, M7
    • M4, M5

  • Eingang: VA, VB
  • Ausgang: OUT

  • Arbeitspunkt: Stromquelle M6
  • Symmetrische Sourceschaltung
    • Der Strom verteilt sich hälftig auf M2 und M7
Der zweite Eingang des Differenzverstärkers erlaubt die Messung von Differenzen.
Schwankungen der Versorgungsspannung zeigen sich am Ausgang kaum.

Gegentakt, Differenzverstärker, Signale

Gleichtakt: \( u_{gl} = \frac{u_A + u_B }{2} \) Gegentakt, Differenz: \( u_D = u_A - u_B \)
Direkte Einkopplung, keine Koppelkapazität, Gleichspannungsverstärkung
Bei 2 Eingängen kann man das Eingangssignal in einen Gleichtaktsignal und ein Gegentaktsignal zerlegen.
Idealerweise hat der Verstärker eine große Gegentaktverstärkung und keine Gleichtaktverstärkung.
Idealerweise wirkt sich eine Versorgungsspannungsänderung nicht auf das Ausgangssignal aus.
Im Allgemeinen spricht man von single ended und differentiellen (differential) Signalen.
Differentielle Signale sind nicht so störanfällig, da sich Störungen auf beide Signalleitungen auswirken und nachfolgende Differenzverstärker mit geringer Gleichtaktverstärkung diese Störungen unterdrücken.

Funktionsweise des Differenzverstärkers

  • M6 ist ein Stromspiegeltransistor und stellt den Arbeitspunkt der Schaltung IDS ein.
  • Mit IDS wird über gm und rD die Verstärkung und die Leistungsaufnahme festgelegt.
  • ua liegt am positiven Eingang
  • Eine Änderung von ua bewirkt eine Änderung von der Spannung outa, die die Sourceschaltung aus M5 (Verstärker) und M7 (Last) ansteuert.
  • Eine positive Änderung von ua bewirkt eine positive Änderung der Ausgangsspannnung.
  • ub liegt am negativem Eingang, an der Sourceschaltung aus M7 (Verstärker) und M5 (Last).
  • Am Ausgang ergibt sich dadurch die verstärkte Differenzspannung:
    uD = k ( ua - ub)
Es wird als nächstes das Kleinsignalersatzschaltbild erstellt und die Gegentakt- und Gleichtaktverstärkung berechnet.

Differenzverstärker Simulation und Demonstration




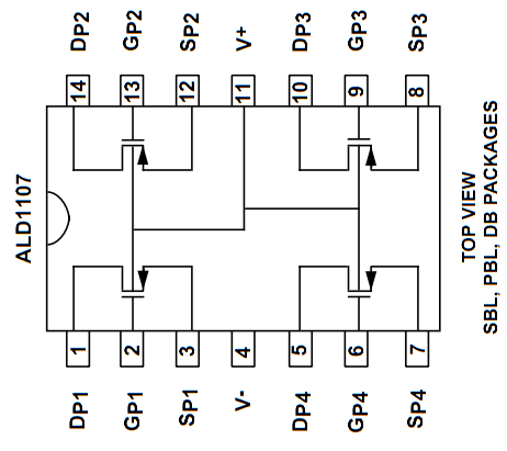
Ein PFET Array ALD1107 und NFET Array ALD1106 wird als Differenzverstärker verschaltet und mit dem Electronic Explorer betrieben.
Die Versorgungsspannung VP+ = 8V und die Referenzspannung Vref1 = 1.4 V liegt an. Bei einer Spannung VAWG1 = 3 V (Offset, 0V Amplitude) wird die Spannungsquelle VAWG2 mit einem Sinussignal (Offset = 3 V, Amplitude = 400 mV) betrieben.
Am Oszilloskop sieht man in blau (C2) die Eingangsspannung VAWG2 mit 400 mV Amplitude, die Spannung OUTA (grün, C4) und die verstärkte Spannung OUT (pink, C3).
In einer x-y Darstellung von C3 über C1 kann man die Übertragungskennlinie sehen und eine Verstärkung von vdiff = dC3/dC2 = 4V / 10mV = 400 ablesen.
Folgende weitere Untersuchungen sind interessant:
1) Variation von Vref1: Wie ändert sich der Strom und die Spannungsverstärkung?
Bei kleinerem Vref nimmt die Verstärkung zu, aber man sieht auch eine Hysterese, bedingt durch eine Phasenverschiebung bei kleinerer Eckfrequenz.
2) Gleichtaktverstärkung: Beide Eingänge werden mit AWG2 betrieben.
vgl = d C3 / d C2 = 35 mV / 400 mV = 0.09
Berechnung der Common mode rejection rate.
CMRR = 20 log (vdiff / vgl ) = 20 log (400 / 0.09 ) = 72 dB
3) Power supply rejection rate: PSRR.
Signal an der Betriebsspannung: d VP+ (C1) = 100 mV; d Vout = 100 mV;
vb = d VP+ / dVout = 1
PSRR = 20 log(vdiff/ vb) = 20 log(400 / 1) = 52 dB
4) Frequenzgang
Wie ändert sich die Verstärkung bei verschiedenen Frequenzen?

Gegentakt- oder Differenzverstärkung vD KESB

Das Bild zeigt das Kleinsignalersatzschaltbild in LTSPICE.
Berechnung der Differenzverstärkung:
\( u_{out} = - \left( i_5 + i_7 \right) \cdot \left( r_{d5} || r_{d7} \right) \)
\( u_{out} = - \left( u_{outa} \cdot g_{m5} + u_{b} \cdot g_{m7} \right) \cdot \left( r_{d5} || r_{d7} \right) \)
\( u_{out} = - \left( - u_{a} \cdot g_{m2} \left( r_{D2} || r_{m4} \right) \cdot g_{m5} + u_{b} \cdot g_{m7} \right) \cdot \left( r_{d5} || r_{d7} \right) \)
Näherung \( r_{m4} \ll r_{D2} \)
\( u_{out} \approx - \left( - u_{a} \cdot g_{m2} \frac{g_{m5}}{g_{m4}} + u_{b} \cdot g_{m7} \right) \cdot \left( r_{d5} || r_{d7} \right) \)
Mit \( g_{m5} = g_{m4} \) und \( g_{m7} = g_{m2} \) und \( r_{d5} = r_{d7} \)
\( u_{out} \approx \left( u_{a} - u_{b} \right) \frac{ r_{d7} \cdot g_{m7} }{2} \)
Bei der Differenzverstärkung ist Δ UA = - Δ UB und Δ IA = - Δ IB. Damit bleibt der Knoten Vlow auf konstanten Potential und M6 kann im Kleinsignalersatzschaltbild wegfallen.
Gleichtaktverstärkung: uA = uB
vgl ist hier wegen der Näherung \( r_{m4} \ll r_{D2} \) gleich 0.
Berücksichtigt man die Näherung, ergibt sich:
\( u_{out} = - \left( 1 - \left( r_{D2} || r_{m4} \right) \cdot g_{m5} \right) u_{a} \cdot g_{m7} \cdot \left( r_{d5} || r_{d7} \right) \)
\( v_{gl} = - \left( 1 - \frac{r_{D2} || r_{m4}}{r_{m4}}\right) \cdot 2 \cdot v_{D} \)
Bei den bisherigen Beispielen war rD ≈ 100 · rm.
\( v_{gl} = \left( 1 - \frac{1}{1 + \frac{r_{m4}}{ r_{D2}}} \right) \cdot 2 \cdot v_{D} = 0.02 \cdot v_{D} \)

Gleichtaktverstärkung: vGl mit M6

  • UDSM6 ändert sich:
    • M6 Ausgangswiderstand
  • Man betrachtet aus Symmetriegründen nur die Hälfte der Schaltung: M6, M7, M5
  • Sourceschaltung mit Stromquellen als Last und Gegenkopplung
    • Parallelwiderstand
\( v_{Gl} = \frac{v_{out}}{v_{B}} = \frac{I \cdot r_{D5}}{v_{GS7} - I \cdot 2 \cdot r_{D6}} = = \frac{1}{\frac{v_{GS7}}{I \cdot r_{D5}} - 2 \frac{r_{D6}}{r_{D5}}} \)
\( I = - g_m \cdot v_{GS7} \frac{r_{D7}||\left( r_{D5} + 2 \cdot r_{D6}\right)}{r_{D5} + 2 \cdot r_{D6}}\)
\( v_{Gl} = - \frac{1}{\frac{r_{D5} + 2 \cdot r_{D6}}{g_m \cdot \left( r_{D5} r_{D7}||\left( r_{D5} + 2 \cdot r_{D6}\right) \right)} + 2 \frac{r_{D6}}{r_{D5}}} \)
\( v_{Gl} = - \frac{1}{\frac{r_{D5} + 2 \cdot r_{D6} + r_{D7}}{g_m \cdot r_{D5} \cdot r_{D7} } + 2 \frac{r_{D6}}{r_{D5}}} \)
\( v_{Gl} = - \frac{r_{D5}}{2 \cdot r_{D6}} \frac{1}{1 + \frac{r_{D5} + 2 \cdot r_{D6} + r_{D7}}{2 \cdot g_m \cdot r_{D6} \cdot r_{D7} }} \approx - \frac{r_{D5}}{2 \cdot r_{D6}} \)
\( v_{Gl} = - \frac{r_{D5}}{2 \cdot r_{D6}} \)
Mit M6 kann man die Gleichtaktverstärkung klein halten.
Störsignale auf beiden Eingängen A und B erscheinen nicht am Ausgang und werden unterdrückt.

Gleichtaktunterdrückung

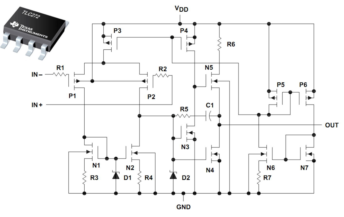
CMOS Operationsverstärker TLC272 gebondeter Chip




Man kann integrierte Bauelemente auch als Wafer oder Chips bekommen.
Das Bild zeigt den Chip TLC272 dessen Bondpads mit feinen Golddrähten (25 µm Dicke) mit dem Gehäuse verbunden sind.
Pin 1 ist bei dem Bild rechts oben, damit die Eingänge links und die Ausgänge rechts sind.
Die Chips wurden hier an der Hochschule Kempten im Labor Mikrosystemtechnik gebondet.
Es befinden sich 2 Operationsverstäker auf dem Chip. Einer oben und einer unten.
Die Spannungsversorgungspads befinden sich in der Mitte rechts (VDD) und links (GND).
Links oben und unten befinden sich jeweils die beiden Eingänge.
Links In+ rechts In-.
Rechts oben und unten befinden sich die Ausgänge.
Der Chip ist 1.524 mm x 1.8542 mm (60 mil x 73 mil) gross.
Weitere Informationen findet man auch im Datenblatt.

CMOS Operationsverstärker TLC272


Quelle: Texas Instruments Datenblatt tlc272a.pdf
Referenzstromquelle rechts: P5, P6, N6, N7, R7
Differenzverstärker: P1, P2, P3, N1, N2
Zenerdiode für den Startup
2.te Verstärkerstufe: Sourceschaltung: N3, P4
Ausgangsstufe: N4, N5
Frequenzgangkompensation: R5, C1

Input/Output rail-to-rail Operationsverstärker:
TLV246
MCP6022

Nächstes Mal:



07 Bipolartransistor