Hochschule Kempten      
Fakultät Elektrotechnik      
Schaltungstechnik       Fachgebiet Elektronik, Prof. Vollrath      

+    Share page with QR-code
1 / 3
MOS- und Bipolar-Transistoren
2 / 3
Transistorverstärker
3 / 3
Operationsverstärker
4 / 5
Schaltungen
5 / 5
Spannungsversorgung

-   Vorlesung Schaltungstechnik Liste


Prof. Dr.-Ing. Jörg Vollrath


Dies ist eine Vorlesung mit 3 SWS und Praktikum 1 SWS im 4.Semester. Es gibt 23 Vorlesungen a 90 Minuten.
Es gibt 3 Praktikumsversuche a 180 Minuten.
SS2021 gibt es maximal 29 Praktikumsteilnehmer.
16 Teilnehmer pro Versuch mit 16 Electronic Explorer Stationen.
Es gibt 8 Versuchsaufbauten mit den Steckbrettern.

Moodle Kurs

SS2021


Unit 1: Organization and Introduction


17.03.2021 Mi V1 Übersicht: Was? Wie? Warum? Vorlesung, Praktikum, Literatur, Bauelemente, ESB, Theorie, Simulation, Aufbau, Messung, LTSPICE, U1

Unit 2: Transistorverstärker


22.03.2021 Mo V2 Transistoren (Distributor), BJT (Sättigung, aktiv und cutoff), T-model Herleitung, U2 1-11
23.03.2021 Di V3 BJT Verstärkerkonfigurationen (CE, CB, CC), Transistorparameter, Verstärkermodell, Verstärkereigenschaften, U2 12-16
24.03.2021 Mi V4 BJT Verstärker, Arbeitspunkteinstellung, Best Practice, U2 16-20
30.03.2021 Di V5 Übung BJT Verstärker, Arbeitspunktbrechnung, U2 20-22
31.03.2021 Mi V6 Übung BJT Verstärker, AC-Verhalten. Miller Kapazität, U2 23-28
13.04.2021 Di V7 BJT, Verzerrung, Kaskode, Kollektorschaltung, Unit 2, Slides 27-33
14.04.2021 Mi V8 Vergleich der Transistorschaltungen, Unit 2, Slides 34-37
20.04.2021 Di V9 MOSFET Grundschaltungen, Unit 2, Slides 38-49
21.04.2021 Mi V10 MOSFET Arbeitspunkt, Unit 2, Slides 50-53

Unit 3: Operationsverstärker


27.04.2021 Di V11 Operationsverstärker, Bauformen, elektrische Eigenschaften, Komparator, ADC, Unit 3 (OpAmp Basics) Slides 1-20
28.04.2021 Mi V12 Operationsverstärker, Rückgekoppelter Operationsverstärker, Offset Spannung und Strom, Unit 3 (OpAmp Basics) Slides 21-32
04.05.2021 Di V13 Operationsverstärker, Input Bias Current, Unit 3 (OpAmp Basics) Slides Slides 33-44
05.05.2021 Mi V14 Operationsverstärker, Transimpedance Amplifier, Unit 3 Slides 45-50 Exercise U3.2
11.05.2021 Di V15 Rauschen, Noise Op Amp, Unit 6 Slides 1-14

Unit 4: Spannungsversorgung


12.05.2021 Di V16 Spannungsversorgung, Übersicht Linearregler, Unit 5 Slides 1-13
18.05.2021 Di V17 Spannungsversorgung, Übersicht Schaltregler,

Unit 3: Anwendungen Operationsverstärker


01.06.2021 Di V18 Differenzverstärker, Unit 4 Slides 1-5
08.06.2021 Mi V19 Rechnung Differenzverstärker, Unit 4 Slides 1-9
15.06.2021 Di V20 Stromspiegel, Unit 4 Slides 9-14
22.06.2021 Di V21 Weitere Stromspiegel, Unit 4A Slides 14-17
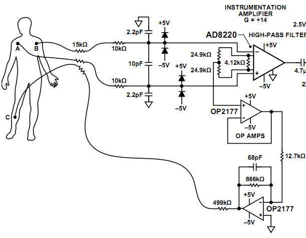
29.06.2021 Di V22 Anwendungen, Instrumentation amplifier, ECG, Filter, Unit 4A Slides 18-26
(06.07.2021 Di V23)

Praktikum

4 Gruppen: AA, AB, BC, BD

***979,AAA1***741,FBC1
***148,BAA2***128,HBC2
***489,BAA3***340,LBC3
***725,BAA4***403,MBC4
***643,DAA5***435,MBC5
***428,FAA6***256,NBC6
***977,FAA7***452,RBC7
***250,GAB1***273,SBD1
***330,HAB2***950,SBD2
***183,HAB3***922,SBD3
***131,HAB4***815,SBD4
***208,KAB5***221,WBD5
***677,KAB6***548,WBD6
***937,RAB7***122,ZBD7
***000,xAB8***514,ZBD8

Maximal 8 Personen pro Gruppe.
V1, V3 mit den grossen Steckbrettern (Zeh)
V2 Operationsverstärker: Elek3 V9, (V10 Vorbereitung), V11
12.04.2021 P1 - AA
19.04.2021 P1 - AB
26.04.2021 P1 - BC
03.05.2021 P1 - BD
10.05.2021 P2 - AA, AB
17.05.2021 P2 - BC, BD
07.06.2021 P3 - AA
14.06.2021 P3 - AB
21.06.2021 P3 - BC
28.06.2021 P3 - BD

P1 Transistoren

Bipolar CE-Schaltung mit RE = 22 Ohm, 270 Ohm, Stromquelle 5mA
AC-Verstärkung, Temperatureffekt, Klirrfaktor, Frequenzgang
MOSFET CS-Schaltung
  1. Berechnung CE Schaltung (RE = 22Ohm): Spannungsverstärkung
  2. Simulation CE Schaltung P1-CEAmplifierU22.asc: .op, .tran, .AC
  3. Messung CE Schaltung: 10kHZ Sinusamplituden, Strom, Temperaturänderung
  4. CE Schaltung mit 10-fachem RE (270 Ohm)
  5. CE Schaltung mit Stromquelle
  6. Berechnung Klirrfaktor
  7. AC-Frequenzgang mit Stromquelle? (50, 100, 200, 500, 1k, 10k, 100k, 500k, 1M, 5M
  8. MOSFET-Source Grundschaltung: Berechnung, Simulation, .op, AC
  9. MOSFET-Source Grundschaltung: Messung, ID, 10kHz Av
  10. MOSFET-Source Grundschaltung Stromquelle: Berechnung, Simulation, .op, AC
  11. MOSFET-Source Grundschaltung Stromquelle: Messung, Av, AC-Frequenzgang
5 Schaltungen: Berechnung, Simulation, Messung, Arbeitspunkt, Av, Frequenzgang

P2 OpAmp;

Aufbau und Simulation, Bodediagram, Schmitt-Trigger(Hysterese)

P3 Linearregler und Switched power supply


Praktikum

28 Studierende:


-   Vorlesung Schaltungstechnik


17.3.2021

1. Einführung und Überblick?

Schaltungstechnik

Video: 📹 Einführung

Buch: Sedra, Smith, Microelectronic Circuits, Oxford
Unit 1

Transistoren


22.3.2021

2. Transistorverstärker, Ersatzschaltbilder


Eingangswiderstand, Ausgangswiderstand, Spannungsverstärkung
Video: 📹 Transistorverstärker

Buch: Unit 2, Slides 1-11
23.3.2021

3. BJT Verstärkerkonfigurationen (CE, CB, CC)


Common Emitterschaltung
Video: 📹 Common Emitterschaltung

Buch: Unit 2, Slides 12-16
24.3.2021

4. BJT Verstärker


Frequenzeigenschaften, Millerkapazitäten, Klirrfaktor
Video: 📹 Frequenzeigenschaften

Buch: Unit 2, Slides 16-20
30.3.2021

5. Common Emitterschaltung Variation


Emitterwiderstand (REAC), Stromquellenbiasing, obere Eckfrequenz
Video: 📹 Common Emitterschaltung Variation

Buch: Unit 2, Slides 20-22
31.3.2021

6. BJT Kaskode, Common collector, MOSFET Verstärker


Konfigurationen, Aufgabenauftrag
Video: 📹 Kaskode, MOSFET

Buch: Unit 2, Slides 23-28
13.4.2021

7. Lösung Aufgabe Kaskode und Common Collector, MOSFET Sourceschaltung



Video: 📹 Kaskode, MOSFET

Buch: Unit 2, Slides 27-33, Unit 2, Slides 34-37
14.4.2021

8. MOS Stromquellen, Stromspiegel



Video: 📹 Stromspiegel

Buch: Unit 4 Slides 9-14
20.4.2021

9. Differenzverstärker




Video: 📹 Differenzverstärker


Buch: Unit 2, Slides 38-50, Unit 4 Slides 1-9




Operationsverstärker

21.4.2021

10. Operationsverstärker


Bauformen, elektrische Eigenschaften


Video: 📹 Operationsverstärker Bauformen

Buch: Unit 3 (OpAmp Basics) Slides 1-20




27.4.2021

11. Operationsverstärker


Komparator, ADC


Video: 📹 Komparator, ADC

Buch: Unit 3 (OpAmp Basics) Slides 1-20




28.4.2021

12. Operationsverstärker

Rückgekoppelter Operationsverstärker, Offset Spannung


Video: 📹 Rückgekoppelter Operationsverstärker

Buch: Unit 3 (OpAmp Basics) Slides 21-32


4.5.2021

13. Operationsverstärker


Input Bias Current, Noise




Video: 📹 Input bias current

Buch: Unit 3 (OpAmp Basics) Slides Slides 33-44


5.5.2021

14. Colorimeter



Video: 📹 Colorimeter

Buch: Unit 3 Slides 45-50 Exercise U3.2



11.5.2021

15. Rauschen


Simulation Colorimeter
Simulation weisses Rauschen
LTSPICE Rauschen
Video: 📹 Rauschen

Buch: Unit 6 Slides 1-14



Spannungsversorgung

19.5.2021

17. Spannungsversorgung, Schaltregler



Video: 📹 Schaltregler

Buch: Unit 5 Slides 22-48

Anwendungen

1.6.2021

18. Anwendungen


Charge pump, Instrumentation amplifier, EKG
Video: 📹 Schaltregler, Ladungspumpe

Buch: Unit 4A Slides 18-22


8.6.2021

19. Anwendung EKG



Video: 📹 Instrumentation Amp, EKG

Buch: Unit 4 Slides 23-26



15.6.2021

20. Filter



Video: 📹 EKG Filter, LP Sallen-Key

Buch: Unit 4 Slides 27-44

22.6.2021

21. Übung 2


Übersicht

Video: 📹 Einführung

Buch:



29.6.2021

22. Übung 3


Komparator, Spannungsregler
Video: 📹 Einführung

Buch:





-   Weitere Vorlesungen und Praktika


Vorlesungen


Praktika

Rechenübung

Evaluation

Praktikum
DIP Digikey Data Sheet ADG333A 4 times 2:1 Multiplexer 6.- Each DIP 20 Package: Ron = 5..45 Ohm
Multiplexer der Verschaltung (gleicher Op) oder der Messstellen
Aufbau LTSPICE: 16:40-17:06
Library nat_semi.lib with model LM741/NS

+   Übungsaufgaben   ⇾